製品基本情報
| 製品カテゴリー | 表示器付きコントローラー(HMI+Control) |
|---|---|
| シリーズ | LT4000Mシリーズ |
| 画面サイズ | 5型 |
| 型式 | PFXLM4301TADDC |
| グローバルコード | PFXLM4301TADDC |
| 製品特長 | 5型 DC DIO (ソース)モデル |
性能仕様
| 表示デバイス | TFTカラーLCD | ||
|---|---|---|---|
| 表示ドット数 | 320x240ドット (QVGA) | ||
| 有効表示寸法 | W115.2 x H86.4mm | ||
| 表示色 | 65,536色 | ||
| バックライト | 白色LED | ||
| 交換不可 | |||
| LED ON / OFFコントロール、スクリーンセイバーの起動時間を調整可能 | |||
| 輝度調整 | タッチパネルの設定メニューで16段階に調整可能 | ||
| 表示文字種類 *1 | 日本語、欧米、中国語(簡体字)、中国語(繁体字)、韓国語、キリル文字、タイ語) | ||
| 表示文字サイズ | 8x8 ドット、8x16 ドット、16x16 ドット、32x32 ドット | ||
| 表示文字拡大率 | 文字幅は1~8倍に拡大できます。文字の高さは1/2および1~8倍に拡大できます。 | ||
| 表示文字数 | 1/4角英数字 (8x8ドット) | 40字x30行 | |
| 半角英数字 (8x16ドット) | 40字x15行 | ||
| 漢字 (16x16ドット) | 20字x15行 | ||
| 漢字 (32x32ドット) | 10字x7行 | ||
| メモリー | アプリケーションメモリー | GP-Pro EX使用時: システムカード/システムメモリー:FLASH EPROM 画面エリア *2:16MB ユーザーフォントエリア:8MB ロジックプログラムエリア:132KB(15,000ステップ相当) *3 自由スペース:なし システムカード/システムメモリーの取り外し:なし | |
| バックアップメモリー | GP-Pro EX使用時: 画面エリア:nvSRAM 128KB 変数エリア:nvSRAM 64KB バッテリー(時計データバックアップ):交換はセンドバック対応/一次電池 | ||
| タッチパネル | タイプ | アナログ抵抗膜方式 | |
| 寿命 | 100万タッチ以上 | ||
| インターフェイス | シリアル (COM1) | RS-232C/RS485 x 1 RS-232C (コネクタタイプ:RJ45、アイソレーション:なし、最大ボーレート:115,200bps、 ケーブルタイプ:シールドケーブル、ケーブル最大長:15m、RS-232C用DC5V電源:なし) RS-485 (コネクタタイプ:RJ45、アイソレーション:なし、最大ボーレート:300~115,200bps、 ケーブルタイプ:シールドケーブル、ケーブル最大長:200m、 Polarization 抵抗:LTを複数接続する場合、ソフトウェアで設定が必要です。 詳細は「GP-Pro EX 機器接続マニュアル」をご確認ください。RS-485 用のDC5V電源:なし) *4 | |
| CANopen (マスター) | CAN-CiA(ISO 11898-2:2002 パート 2)、コネクタ:DSub 9 プラグ (オス) | ||
| イーサネット | IEEE802.3 互換のイーサネット×1 コネクタタイプ:RJ45 ドライバ:10 M 半二重( オートネゴシエーション)、100 M 全二重( オートネゴシエーション) ケーブルタイプ:シールドケーブル クロスオーバーの自動検出:あり | ||
| USB (TypeA) | USB2.0コネクタ:Type A×1、電源電圧:DC5V±5%、最大出力電流:500mA、 最大通信距離:5m | ||
| USB (Mini-B) | USB2.0コネクタ(mini B)×1 | ||
| コントロール | DIO (ソースタイプ) | 標準入力20点 (特殊入力2点として利用可能) 標準出力10点、特殊出力2点 | |
特殊入力: 高速カウンタ入力およびパルスキャッチ入力
特殊出力: パルス出力、PWM 出力および高速カウンタ一致出力
*1 対応するフォントや文字コードなどの詳細は、GP-Pro EX リファレンスマニュアルを参照してください。
*2 ユーザーフォントエリアの容量を超えた場合(例えば、イメージフォントやピクチャフォントを使用している場合など)は、画面エリアを使用してください。
*3 ソフトウェアで最大60,000ステップに切り替え可能です。ただし、アプリケーションメモリー(画面データ)が1Mバイト少なく なります。
*4 RS-485については2線式での接続が基本となります。4線式であっても接続機器が2線式をサポートしている場合、送信+受信+と送信-受信-をそれぞれ短絡して 2線にして行うことで接続できることがありますので、詳細は「GP-Pro EX 機器接続マニュアル」をご確認ください。
一般仕様
| 対応規格・規制 | |
|---|---|
| 定格電圧 | DC24V |
| 電圧許容範囲 | DC20~28.8V |
| 許容瞬時停電時間 | DC20.4Vで10ms以下 |
| 消費電力 | 10W以下 |
| 突入電流 | DC28.8Vで30A以下 |
| 電力端子とフレームグランド(FG) 間の絶縁耐力 | DC500V1分間 |
| 電力端子とFG 間の絶縁抵抗 | DC500Vで10MΩ以上 |
環境仕様
| 標準準拠 | IEC61131-2 | |
|---|---|---|
| ディスプレイモジュールと リアモジュールの 使用周囲温度 | 水平取り付け | 0~50°C |
| 垂直取り付け | 0~40°C | |
| 保存周囲温度 | -20~60°C | |
| 保存高度 | 0~10,000m | |
| 動作高度 | 0~2,000m | |
| 使用および保存周囲湿度 | 5~85%で結露なし(結露のないこと、湿球温度39℃以下) | |
| 汚染度 | IEC60664 | 2 |
| 保護度 | IEC61131-2 | 保護カバーが正しく取り付けられているIP20 |
| 腐食性ガス | 腐食性ガスのないこと | |
| じんあい | ≤0.1mg/m3(導電性塵埃のないこと) | |
| 耐気圧(使用高度) | 800~1,114 hPa( 海抜2,000m以下) | |
| 耐振動 | DINレールに取り付け | 5~8.4 Hzから3.5mm 固定振幅 8.4~150Hz から9.8m/s2(1gn)定加速度 |
| パネルに取り付け | 5~8.6Hzから3.5mm固定振幅 8.6~150Hzから9.8m/s2(1gn)定加速度 | |
| 機械的衝撃抵抗 | DINレールに取り付け | 147m/s2(15gn)、11ms 継続 |
| パネルに取り付け | 147m/s2 (15gn)、6ms継続 | |
| 静電放電 | IEC/EN 61000-4-2 | 8kV(空中放電) 6kV(接触放電) |
| 放射性無線 周波数磁界 | IEC/EN 61000-4-3 | 10V/m(80MHz~3GHz) |
| ファーストトランジェント/ バーストノイズ | IEC/EN 61000-4-4 | 電力線:2kV デジタルI/O:1kV リレー出力:2kV イーサネットライン:1kV COMライン:1kV CANライン:1kV |
| サージ耐性 | IEC/EN 61000-4-5 | 電源:CM:1kV; DM:0.5kV デジタルI/O:CM:1kV; DM:0.5kV シールドケーブル:1kV CM=ラインとアース間 DM=電源ポートのライン間 |
| 無線周波 電磁界伝導 | IEC/EN 61000-4-6 | 10Veff (0.15~80MHz) |
| 端子雑音 | EN 55011 (IEC/CISPR11) | 150~500kHz、準尖頭値 79dBμV |
| 500kHz~30MHz、準尖頭値 73dBμV | ||
| 電界強度 | EN 55011 (IEC/CISPR11) | 30~230MHz,準尖頭値 10m@40dBμV/m |
| 230MHz~1GHz,準尖頭値 10m@47dBμV/m | ||
| 耐震性(稼動時) | IEC61131-2 | |
| 保護構造 | NEMA#250 TYPE4X(室内、パネル埋込時) | |
| 保護(ディスプレイモジュール) | IP65f - (IEC60529) | |
| 保護(リアモジュール) | IP20-(IEC60529) | |
| 耐衝撃性(稼動時) | IEC61131-2 15gn 11ms | |
| 冷却方式 | 自然空冷 | |
| 質量 | 749g | |
| 色 | ディスプレイモジュール:PT404 リアモジュール:RAL7032 | |
| 素材 | ディスプレイモジュール: PAA+GF リアモジュール: PC/PBT | |
バッテリー仕様
| 用途 | 停電時の日時情報の維持 |
|---|---|
| バックアップ期間 | 最高25 °C(77 °F)という条件で少なくとも5年間。気温が高くなるほど、バックアップ可能な時間は短縮されます。 |
| 電池の種類 | リチウム電池(ユーザー交換不可) |
デジタル入力
デジタル入力の特性
| 定格電流 | 5mA | |
|---|---|---|
| 突入値 | 電圧 | DC30V |
| 電流 | 6.29mA最大 | |
| 入力インピーダンス | 4.9kΩ | |
| 入力タイプ | シンク/ソース | |
| 定格電圧 | DC24V | |
| 最大許容電圧 | DC28.8V | |
| 入力制限値 | ON電圧 | DC15V以上 |
| OFF電圧 | DC5V以下 | |
| ON電流 | 2.5mA以上 | |
| OFF電流 | 1.0mA以下 | |
| 絶縁 | 方式 | フォトカプラ絶縁 |
| 内部回路間 | DC500V | |
| フィルタ | 0.5ms x N (N は 0 ~ 63) | |
| IEC61131-2規格 3タイプ | タイプ1 | |
| 互換性 | 2線式および3線式センサーをサポート | |
| ケーブルの種類と長さ | シールドケーブル:最大100m 非シールド:50m | |
| 端子台 | タイプ:3.5mmピッチ 端子台は取り外し可能 | |
| 入力並列接続 | なし | |
高速カウンタおよびパルスキャッチ入力の特性
| 定格電流 | 電圧 | DC24V | |
|---|---|---|---|
| 電流 | 7.83mA | ||
| 突入値 | 電圧 | DC30V | |
| 電流 | 9.99mA | ||
| 入力インピーダンス | 3.2kΩ | ||
| 入力タイプ | シンク/ソース | ||
| 定格電圧 | DC24V | ||
| 最大許容電圧 | DC28.8V | ||
| 入力制限値 | ON電圧 | DC15V以上 | |
| OFF電圧 | DC5V以下 | ||
| ON電流 | 5mA以上 | ||
| OFF電流 | 1.5mA以下 | ||
| 絶縁 | 方式 | フォトカプラ絶縁 | |
| 内部回路間 | DC500V | ||
| フィルタ | なし、 4μs、40μs | ||
| IEC61131-2規格 3タイプ | タイプ1 | ||
| 互換性 | 2線式および3線式センサーをサポート | ||
| ケーブル | タイプ | シールドケーブル | |
| 長さ | 最大10m | ||
| 端子台 | タイプ:3.5mmピッチ 端子台は取り外し可能 | ||
| 最大周波数 | ・単相の最大周波数は100 kHzです。 ・2相の最大周波数は50 kHzです。 ・デューティレート: 45~55% | ||
| 位相計数モード | ・単相 ・2相2逓倍 ・2相4逓倍 ・2相2逓倍 反転 ・2相4逓倍 反転 | ||
| 応答時間 | マーカー | 1ms | |
| プリロード | 1ms | ||
| プリストローブ | 1ms | ||
| 一致出力 | 2ms | ||
| 最小パルス幅 | (パルス入力) | カウンター: | 入力信号ON幅 |
| 入力並列接続 | なし | ||
デジタル出力
トランジスタ出力の特性
| 定格電圧 | DC24V | |
|---|---|---|
| 出力範囲 | DC19.2~28.8V | |
| 出力タイプ | ソース | |
| 定格電流 | 0.3A/1出力、3.0A/1コモン | |
| 残留電圧 | I=0.1AでDC1.5V以下 | |
| 遅延 | オフからオン(0.3A負荷):1.1ms、オンからオフ(0.3A負荷):2ms 注記:遅延にケーブル遅延は含まれていません。 | |
| 絶縁 | 方式 | フォトカプラ絶縁 |
| 内部回路間 | DC500V | |
| 最小抵抗負荷 | DC24Vで80Ω | |
| ケーブルの長さ | 非シールド:150m | |
| 短絡に対する保護 | なし | |
| 端子台 | タイプ:3.5mmピッチ 端子台は取り外し可能 | |
(1)サージ対策として接続する場合 *コモン電流3.0Aをご使用になる場合、V1+(A3、A4)を接続してください。(V1-も同様)
| 注記: Q0、Q1 の回路はプッシュプル回路です。シンク出力、ソース出力での プッシュプル回路の動作は以下となります。 シンク出力: Q0、Q1 のロジックがオフの時、 Q0、Q1 端子に+24(V) が出力 ソース出力: Q0、Q1 のロジックがオフの時、 Q0、Q1 端子に0(V) が出力 Q2 以降の標準出力端子は、一般的なオープンコレクタ出力です。従って高速出力Q0、Q1 端子とQ2 以降の標準出力端子は接続しないでください。短絡します。 またQ0、Q1 端子に手動回路が併設される場合、手動回路とQ0、 Q1 端子はリレーによって絶縁してください。絶縁しない場合、短絡します。 |
パルス出力、PWM、高速カウンタ一致出力の特性
| 出力タイプ | ソース | ||
|---|---|---|---|
| 定格電圧 | DC24V | ||
| 電源入力範囲 | DC19.2~28.8V | ||
| 電源逆保護 | ○ | ||
| パルス出力/PWM 出力電流 | 50mA/1出力、100mA/1コモン | ||
| オリジナル入力に対する応答時間 | 2ms | ||
| 絶縁抵抗 | 高速出力と 内部回路の間 | 10MΩ以上 | |
| 電源ポートと 保護接地(PE) =500 Vdc の間 | 10MΩ以上 | ||
| 残留電圧 | I=0, 1A の場合 | DC1.5V以下 | |
| 遅延 | オフからオン(50mA負荷):1.1ms、オンからオフ(50mA負荷):1.1ms 注記:遅延にケーブル遅延は含まれていません。 | ||
| 最小ロードインピーダンス | 80Ω | ||
| 最大パルス出力周波数 | 50KHz | ||
| 最大PWM出力周波数 | 65kHz | ||
| 精度/ PWM出力/ パルス出力 | 周波数 | 精度 | デューティー |
| 10~100Hz | 0.1% | 0~100% | |
| 10~1000Hz | 1% | 1~99% | |
| 1.001~20kHz | 5% | 5~95% | |
| 20.001~45kHz | 10% | 10~90% | |
| 45.001~65kHz | 15% | 15~85% | |
| デューティー比範囲 | 1~99% | ||
| ケーブル | タイプ | シールド、DC24V電源を含む | |
| 長さ | 最大5m | ||
| 端子台 | タイプ:3.5mmピッチ 端子台は取り外し可能 | ||
| 注記: Q0、Q1 の回路はプッシュプル回路です。シンク出力、ソース出力での プッシュプル回路の動作は以下となります。 シンク出力: Q0、Q1 のロジックがオフの時、 Q0、Q1 端子に+24(V) が出力 ソース出力: Q0、Q1 のロジックがオフの時、 Q0、Q1 端子に0(V) が出力 Q2 以降の標準出力端子は、一般的なオープンコレクタ出力です。従って高速出力Q0、Q1 端子とQ2 以降の標準出力端子は接続しないでください。短絡します。 またQ0、Q1 端子に手動回路が併設される場合、手動回路とQ0、 Q1 端子はリレーによって絶縁してください。絶縁しない場合、短絡します。 |
端子台
| ピンの配置 | グループ | ピン | 信号名 | グループ | ピン | 信号名 |
|---|---|---|---|---|---|---|
|
| 特殊出力 | A1 | V0+ | 特殊出力 | B1 | V0- |
| A2 | Q1 | B2 | Q0 | |||
| 標準出力 | A3 | V1+ | 標準出力 | B3 | V1- | |
| A4 | V1+ | B4 | V1- | |||
| A5 | Q3 | B5 | Q2 | |||
| A6 | Q5 | B6 | Q4 |
| ピンの配置 | グループ | ピン | 信号名 | グループ | ピン | 信号名 |
|---|---|---|---|---|---|---|
|
| 標準出力 | C1 | Q7 | 標準出力 | D1 | Q6 |
| C2 | Q9 | D2 | Q8 | |||
| C3 | Q11 | D3 | Q10 | |||
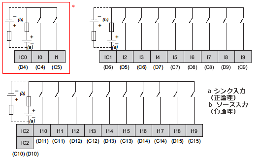
| 特殊入力/ 標準入力 | C4 | I0 | 特殊入力/ 標準入力 | D4 | IC0 | |
| C5 | I1 | 標準入力 | D5 | I2 | ||
| 標準入力 | C6 | I3 | D6 | IC1 | ||
| C7 | I5 | D7 | I4 | |||
| C8 | I7 | D8 | I6 | |||
| C9 | I9 | D9 | I8 | |||
| C10 | IC2 | D10 | IC2 | |||
| C11 | I11 | D11 | I10 | |||
| C12 | I13 | D12 | I12 | |||
| C13 | I15 | D13 | I14 | |||
| C14 | I17 | D14 | I16 | |||
| C15 | I19 | D15 | I18 |

