PSA6000-MM01-ES.00

Identificación de piezas

NOTA: Las siguientes figuras muestran el modelo de 12 pulgadas ancho.

Frontal

Izquierda

Parte inferior

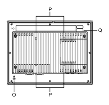
Posterior

A. LED de estado

J. Interfaz Ethernet (ETH2)

B. Escotilla de mantenimiento

K. Interfaz Ethernet (ETH1)

C. Conector de botón de encendido remoto (EXT)*1*2

L. Interfaz en serie (RS-422/485, no-aislada) (COM2)

D. Botón de encendido*2

M. Interfaz en serie (RS-232C, no-aislada) (COM1)

E. Botón de reinicio (RESET)

N. Conector de alimentación de CC

F. Interfaz USB 3.1 Gen1 (Tipo A)

O. Terminal FG ()

G. Interfaz USB 2.0 (Tipo A)

P. Orificio del tornillo para montaje VESA*3

H. DisplayPort (DP++)

Q. Sello de seguridad*4

I. Interfaz Ethernet (ETH3)

 

*1 Éste es un conector para extender el botón de encendido. Use el conector incluido en su paquete y conéctelo a un contacto de tipo "albeit" (normalmente abierto).

*2 El botón de encendido de las Opciones de energía de Windows está configurado por defecto en Apagar. Las siguientes opciones están disponibles para el botón de encendido. Seleccione una opción adecuada para su entorno de uso.

  • No hacer nada
  • Suspender
  • Hibernar
  • Apagar (por defecto)
  • Apagar el display

*3 Este producto se puede montar en brazos para monitor disponibles en el mercado que cumplen con la norma VESA (100 x 100 mm). Use cuatro tornillos M4 (profundidad de tornillo válida: 7,4 mm [0,29 in]). El par de apriete necesario es de 1,0 N•m (8,9 lb-in).
El montaje VESA no cuenta con la certificación UL.

*4 No retire el sello de seguridad. Para obtener información detallada, consulte Sello de seguridad.

Resultados de búsqueda (0)

Cerrar