PSA6000-MM01-KO.00

부품 명칭

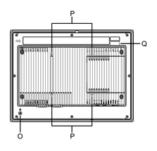
주의: 아래 그림은 12인치 와이드 모델 예시입니다.

전면

왼쪽

하단

후면

A. 상태 LED

J. 이더넷 인터페이스(ETH2)

B. 유지 관리 해치

K. 이더넷 인터페이스(ETH1)

C. 원격 전원 단추 커넥터(EXT)*1*2

L. 직렬 인터페이스(RS-422/485, 비절연)(COM2)

D. 전원 단추*2

M. 직렬 인터페이스(RS-232C, 비절연)(COM1)

E. 초기화 단추(초기화)

N. DC 전원 커넥터

F. USB 3.1 Gen1(A형) 인터페이스

O. FG 단자()

G. USB 2.0(A형) 인터페이스

P. VESA 장착 나사 구멍*3

H. DisplayPort (DP++)

Q. 보안 씰*4

I. 이더넷 인터페이스(ETH3)

 

*1 전원 단추 확장에 사용되는 커넥터입니다. 패키지에 포함된 커넥터를 사용하여 접점(대개 개방)에 연결하십시오.

*2 Windows 전원 옵션의 전원 단추는 기본값으로 시스템 종료로 설정되어 있습니다. 다음 옵션을 전원 단추에 사용할 수 있습니다. 사용 환경에 적합한 옵션을 선택하십시오.

  • 아무것도 하지 않음
  • 절전
  • 최대 절전 모드
  • 시스템 종료(기본값)
  • 디스플레이 끄기

*3 이 제품은 VESA 표준(100 x 100 mm)을 준수하는 상용 모니터 암에 장착할 수 있습니다. 4개의 M4 나사 사용(유효한 나사 깊이: 7.4 mm [0.29 in]). 필요한 토크는 1.0 N•m (8.9 lb-in) 입니다.
VESA 장착은 UL 인증을 받지 않았습니다.

*4 보안 씰을 제거하지 마십시오. 자세한 내용은 보안 씰를 참조하십시오.

검색 결과 (0)

닫기