PSA6000-MM01-CS.00

部件标识

注: 下图为 12 英寸宽屏型号。

正视图

左视图

底视图

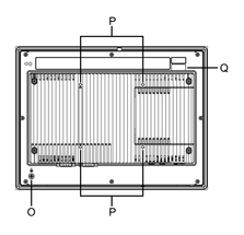
后视图

A. 状态 LED

J. 以太网接口 (ETH2)

B. 维修舱

K. 以太网接口 (ETH1)

C. 远程电源按钮接头 (EXT)*1*2

L. 串行接口 (RS-422/485,非隔离式) (COM2)

D. 电源按钮*2

M. 串行接口 (RS-232C,非隔离式) (COM1)

E. 复位按钮 (RESET)

N. 直流电源连接器

F. USB 3.1 Gen1 (A 型) 接口

O. FG 端子 ()

G. USB 2.0 (A 型) 接口

P. VESA 安装螺钉孔*3

H. DisplayPort (DP++)

Q. 安全封条*4

I. 以太网接口 (ETH3)

 

*1 此为用于延长电源按钮的接头。使用包装中包含的接头连接到常开触点 (常开)。

*2 Windows 电源选项中的电源按钮默认设置为关闭。电源按钮有以下选项。选择适合您使用环境的选项。

  • 不执行任何操作
  • 睡眠
  • 休眠
  • 关闭 (默认)
  • 关闭显示器

*3 本产品可以安装在符合 VESA 标准 (100 x 100 mm) 的市售显示器支架上。使用 4 个 M4 螺钉 (螺钉有效深度:7.4 mm [0.29 in])。必要扭矩为 1.0 N•m (8.9 lb-in)。
VESA 安装未通过 UL 认证。

*4 请勿取下安全封条。有关详细信息,请参阅 安全封条

搜索结果 (0)

关闭