PSA6000-MM01-IT.00

Identificazione dei componenti

NOTA: Le figure seguenti mostrano il modello da 12 pollici wide.

Lato anteriore

Lato sinistro

Lato inferiore

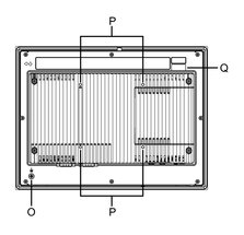
Lato posteriore

A. LED di stato

J. Interfaccia Ethernet (ETH2)

B. Sportello di manutenzione

K. Interfaccia Ethernet (ETH1)

C. Connettore del pulsante di accensione a distanza (EXT)*1*2

L. Interfaccia seriale (RS-422/485, non isolato) (COM2)

D. Pulsante di alimentazione*2

M. Interfaccia seriale (RS-232C, non isolato) (COM1)

E. Pulsante di reset (RESET)

N. Connettore di alimentazione CC

F. Interfaccia USB 3.1 Gen1 (Tipo A)

O. Terminale FG ()

G. Interfaccia USB 2.0 (Tipo A)

P. Foro della vite per montaggio VESA*3

H. DisplayPort (DP++)

Q. Sigillo di sicurezza*4

I. Interfaccia Ethernet (ETH3)

 

*1 Si tratta di un connettore da utilizzare per estendere il pulsante di accensione. Utilizzare il connettore incluso nella confezione e collegarlo a un contatto di tipo "albeit" (normalmente aperto).

*2 Il pulsante di accensione nelle Opzioni di alimentazione di Windows è impostato su Spegnimento per impostazione predefinita. Per il pulsante di alimentazione sono disponibili le opzioni seguenti. Selezionare l'opzione adatta al proprio ambiente di utilizzo.

  • Nessuna azione
  • Modalità riposo
  • Modalità ibernazione
  • Spegnimento (predefinito)
  • Spegnere il display

*3 Questo prodotto può essere montato su bracci per monitor disponibili in commercio che siano conformi allo standard VESA (100 x 100 mm). Utilizzare quattro viti M4 (lunghezza corretta delle viti: 7,4 mm [0,29 in]). La coppia necessaria è 1,0 N•m (8,9 lb-in).
Il montaggio VESA non è certificato UL.

*4 Non rimuovere il sigillo di sicurezza. Per informazioni, fare riferimento a Sigillo di sicurezza.

Risultati ricerca (0)

Chiudere