PSA6000-MM01-JA.00

各部名称

注記: 以下の図は、12 型ワイドモデルです。

正面図

左側面図

底面図

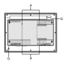
背面図

A. ステータス LED

J. イーサネットインターフェイス (ETH2)

B. メンテナンスハッチ

K. イーサネットインターフェイス (ETH1)

C. リモートパワーボタンコネクター (EXT)*1*2

L. シリアルインターフェイス (RS-422/485、非絶縁) (COM2)

D. パワーボタン*2

M. シリアルインターフェイス (RS-232C、非絶縁) (COM1)

E. リセットボタン (RESET)

N. DC 電源コネクター

F. USB 3.1 Gen1 (Type A) インターフェイス

O. FG 端子 ()

G. USB 2.0 (Type A) インターフェイス

P. VESA 取り付け用ネジ穴*3

H. DisplayPort (DP++)

Q. セキュリティーシール*4

I. イーサネットインターフェイス (ETH3)

 

*1 パワーボタンを延長するために使用するコネクターです。同梱のコネクターに A 接点 (ノーマルオープン) を接続して使用してください。

*2 Windows 電源オプションの電源ボタンは初期設定でシャットダウンに設定されています。電源ボタンでは、以下の選択肢があります。ご使用の使用環境に適した選択を行ってください。

  • 何もしない
  • スリープ状態
  • 休止状態
  • シャットダウン (初期設定)
  • ディスプレイの電源を切る

*3 VESA 規格 (100 x 100 mm) に準拠した市販のモニターアームに本製品を取り付けることができます。M4 ネジ 4 個を使用してください (有効なネジ深さ:7.4 mm [0.29 in])。適正な締め付けトルクは 1.0 N•m (8.9 lb-in) です。
VESA 取り付けは UL 認定を受けていません。

*4 セキュリティーシールは剥がさないでください。詳細については、セキュリティーシールを参照してください。

検索結果 (0)

閉じる