PSA6000-MM01-EN.00

Parts Identification

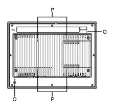
NOTE: The figures below show the 12-inch wide model.

Front

Left

Bottom

Rear

A. Status LED

J. Ethernet interface (ETH2)

B. Maintenance hatch

K. Ethernet interface (ETH1)

C. Remote power button connector (EXT)*1*2

L. Serial interface (RS-422/485, non-isolated) (COM2)

D. Power button*2

M. Serial interface (RS-232C, non-isolated) (COM1)

E. Reset button (RESET)

N. DC power connector

F. USB 3.1 Gen1 (Type A) interface

O. FG terminal ()

G. USB 2.0 (Type A) interface

P. VESA mount screw hole*3

H. DisplayPort (DP++)

Q. Security seal*4

I. Ethernet interface (ETH3)

 

*1 This is a connector for use to extend the power button. Use the connector included in your package and connect to an albeit contact (normally open).

*2 The power button in Windows Power Options is set to Shut down by default. The following options are available for the power button. Select an option suitable for your usage environment.

  • Do nothing
  • Sleep
  • Hibernate
  • Shut down (default)
  • Turn off the display

*3 This product can be mounted to commercially available monitor arms that comply with the VESA standard (100 x 100 mm). Use four M4 screws (valid screw depth: 7.4 mm [0.29 in]). The necessary torque is 1.0 N•m (8.9 lb-in).
VESA mounting is not UL certified.

*4 Do not remove the security seal. For details, refer to Security Seal.

Search Results (0)

Close