PSA6000-MM01-FR.00

Identification des pièces

NOTE: Les figures ci-dessous illustrent modèle 12 pouces panoramique.

Avant

Gauche

Bas

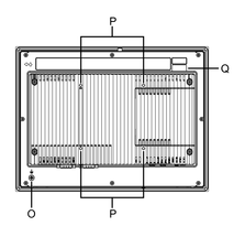
Arrière

A. Voyant d'état

J. Interface Ethernet (ETH2)

B. Trappe d'entretien

K. Interface Ethernet (ETH1)

C. Connecteur du bouton d'alimentation à distance (EXT)*1*2

L. Interface série (RS-422/485, non isolé) (COM2)

D. Bouton d'alimentation*2

M. Interface série (RS-232C, non isolé) (COM1)

E. Bouton de réinitialisation (RESET)

N. Connecteur d'alimentation CC

F. Interface USB 3.1 Gen1 (Type A)

O. Borne FG ()

G. Interface USB 2.0 (Type A)

P. Trou de vis pour montage VESA*3

H. DisplayPort (DP++)

Q. Sceau de sécurité*4

I. Interface Ethernet (ETH3)

 

*1 Il s'agit d'un connecteur à utiliser pour étendre le bouton d'alimentation. Utilisez le connecteur inclus dans l'emballage et connectez-le à un contact d'alimentation (normalement ouvert).

*2 Dans les options d'alimentation de Windows, le bouton d'alimentation est réglé par défaut sur Arrêt. Les options suivantes sont disponibles pour le bouton d'alimentation. Sélectionnez une option adaptée à votre environnement d'utilisation.

  • Ne rien faire
  • Mise en veille
  • Mise en veille prolongée
  • Arrêt (par défaut)
  • Éteindre l'écran

*3 Ce produit peut être monté sur des bras de moniteur disponibles dans le commerce conformes à la norme VESA (100 x 100 mm). Utilisez quatre vis M4 (profondeur de vis valide : 7,4 mm [0,29 in]). Le couple nécessaire est de 1,0 N•m (8,9 lb-in).
Le montage VESA n'est pas homologué UL.

*4 Ne retirez pas le sceau de sécurité. Pour plus d'informations, reportez-vous à la section Scellé de sécurité.

Résultats de recherche (0)

Fermer