PSA6000-MM01-DE.00

Übersicht Bestandteile

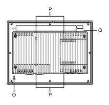
HINWEIS: Die folgenden Abbildungen zeigen das Modell 12-Zoll breit.

Frontseite

Links

Unterseite

Rückseite

A. Status-LED

J. Ethernet-Schnittstelle (ETH2)

B. Wartungsfach

K. Ethernet-Schnittstelle (ETH1)

C. Anschluss für Ferneinschalttaste (EXT)*1*2

L. Serielle Schnittstelle (RS-422/485, nicht isoliert) (COM2)

D. Netzschalter*2

M. Serielle Schnittstelle (RS-232C, nicht isoliert) (COM1)

E. Reset-Taste (RESET)

N. Gleichstromsteckverbinder

F. USB 3.1 Gen1-Schnittstelle (Typ A)

O. FG-Klemme ()

G. USB-2.0-Schnittstelle (Typ A)

P. Schraubenloch VESA-Montage*3

H. DisplayPort (DP++)

Q. Sicherheitssiegel*4

I. Ethernet-Schnittstelle (ETH3)

 

*1 Dies ist ein Anschluss für die Verlängerung des Netzschalters. Verwenden Sie den im Lieferumfang enthaltenen Stecker und schließen Sie ihn an einen beliebigen Kontakt (normalerweise offen) an.

*2 Der Netzschalter in den Windows-Energieoptionen ist standardmäßig auf Aus eingestellt. Netzschalter sind folgende Optionen verfügbar: Wählen Sie eine für Ihre Nutzungsumgebung geeignete Option.

  • Keine Aktion
  • Schlafmodus
  • Ruhezustand
  • Aus (Standard)
  • Bildschirm ausschalten

*3 Dieses Produkt kann an handelsüblichen Monitorarmen montiert werden, die dem VESA-Standard (100 x 100 mm) entsprechen. Verwenden Sie vier M4-Schrauben (gültige Schraubentiefe: 7,4 mm [0,29 in]). Das erforderliche Anzugsdrehmoment beträgt 1,0 N•m (8,9 lb-in).
Die VESA-Montage ist nicht UL-zertifiziert.

*4 Entfernen Sie nicht die Sicherheitsversiegelung. Detaillierte Informationen finden Sie unter Sicherheitssiegel.

Suchergebnisse (0)

Schließen