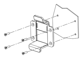
Colocación del adaptador para montaje en la pared
Al colocar un adaptador de montaje en pared (se vende por separado), puede colgar el producto en la pared cuando no esté en uso.
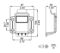
Número del producto: PFXZHWALADP
ATENCIÓN |
|---|
|
RIESGO DE LESIONES Y DAÑOS AL EQUIPO
No utilice ni cablee el producto mientras esté
colgado en la pared.
Si no se siguen estas instrucciones, pueden producirse lesiones o daños en el equipo.
|
Procedimiento de instalación
-
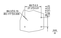
Los tornillos de instalación no están incluidos. Según la superficie de instalación, prepare usted mismo cuatro tornillos M4 (tipo de cabeza: ISO 7046-1) o tornillos autorroscantes.
-
Confirme que la pared sea lo suficientemente resistente (grosor de la pared, material, etc.) para soportar el peso de este producto.
- Perfore agujeros en la pared para los tornillos M4.
- Fije el adaptador de montaje en pared a la pared utilizando los tornillos M4. El par de apriete necesario es de 1,3 N•m (11,5 lb-in).
ATENCIÓN

