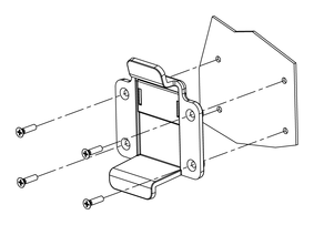
Fixation de l'adaptateur de suspension murale
En fixant un adaptateur de suspension murale (vendu séparément), vous pouvez accrocher le produit au mur lorsqu'il n'est pas utilisé.
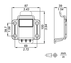
Référence du produit : PFXZHWALADP
ATTENTION |
|---|
|
RISQUE DE BLESSURES OU DE DOMMAGES MATERIELS
Ne pas faire fonctionner ou câbler le produit
lorsqu'il est accroché au mur.
Le non-respect de ces instructions peut provoquer des blessures ou des dommages matériels.
|
Procédure d'installation
-
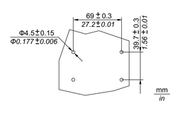
Les vis d'installation ne sont pas incluses. En fonction de la surface d'installation, préparez vous-même quatre vis M4 (type de tête de vis : ISO 7046-1) ou des vis autotaraudeuses.
-
Confirmez que le mur est suffisamment solide (épaisseur du mur, matériau, etc.) pour supporter le poids de ce produit.
- Percez des trous dans le mur pour les vis M4.
- Fixez l'adaptateur de suspension au mur à l'aide de vis M4. Le couple nécessaire est de 1,3 N•m (11,5 lb-in).
ATTENTION

