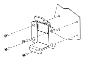
벽걸이 어댑터 부착하기
벽걸이 어댑터(별도 판매)를 부착하면 제품을 사용하지 않을 때 벽에 걸어 둘 수 있습니다.
제품 번호: PFXZHWALADP
주의 |
|---|
|
부상 위험, 장비
손상
제품을 벽에 걸어둔
상태에서 작동하거나
배선하지 마십시오.
이러한 지침을 따르지 않을 경우 부상 또는 장비 손상이 초래될 수 있습니다.
|
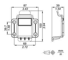
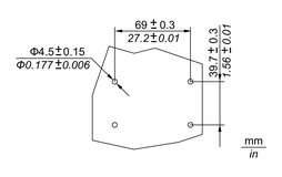
설치 절차
-
설치 나사는 포함되어 있지 않습니다. 설치 표면에 따라 4개의 M4 나사(나사 머리 유형: ISO 7046-1) 또는 셀프 태핑 나사를 직접 준비하십시오.
-
벽이 이 제품의 무게를 견딜 수 있을 만큼 튼튼한지(벽의 두께, 재질 등) 확인하십시오.
- 벽에 M4 나사 구멍을 뚫습니다.
- 벽걸이 어댑터를 M4 나사로 벽에 부착합니다. 필요한 토크는 1.3 N•m (11.5 lb-in)입니다.
주의

