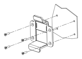
壁掛け用アダプターの取り付け
壁掛け用アダプター (別売) を取り付けることで、製品を使用しないときに壁に掛けておくことができます。
型式:PFXZHWALADP
注意 |
|---|
|
怪我のおそれ、機器の損傷
壁に掛けた状態で、本製品を操作したり配線したりしないでください。
上記の指示に従わないと、負傷または機器の損傷を負う可能性があります。
|
取り付け手順
-
取り付けネジは含まれていません。取り付け面によって、M4 ネジ 4 個 (ネジ頭:ISO 7046-1) またはセルフタッピングネジを用意してください。
-
本製品の重量に耐えられる十分な強度 (壁の厚さ、材質など) があることを確認してください。
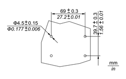
- 壁に M4 ネジ用の穴を開けます。
- M4 ネジを使用して壁掛け用アダプターを壁に取り付けます。適正な締め付けトルクは 1.3 N•m (11.5 lb-in) です。
注意

