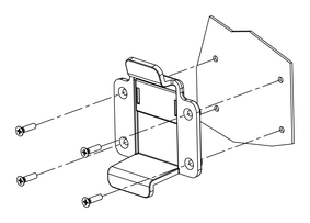
Montaggio dell'adattatore per il fissaggio a parete
Collegando un adattatore per appendere il prodotto alla parete (venduto separatamente), è possibile appenderlo alla parete quando non viene utilizzato.
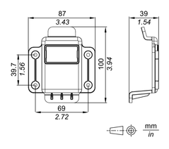
Numero prodotto: PFXZHWALADP
ATTENZIONE |
|---|
|
RISCHIO DI LESIONI, DANNI ALL'APPARATO
Non utilizzare o cablare il prodotto mentre è
appeso alla parete.
Il mancato rispetto di queste istruzioni può provocare infortuni o danni alle apparecchiature.
|
Procedura di installazione
-
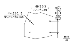
Le viti di installazione non sono incluse. A seconda della superficie di installazione, preparare quattro viti M4 (tipo di testa della vite: ISO 7046-1) oppure delle viti autofilettanti.
-
Verificare che la parete sia sufficientemente robusta (spessore della parete, materiale e così via) per sopportare il peso del prodotto.
- Praticare i fori nella parete per le viti M4.
- Fissare l'adattatore per la sospensione a parete con viti M4. La coppia necessaria è 1,3 N•m (11,5 lb-in).
ATTENZIONE

