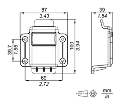
安装壁挂适配器
通过安装壁挂适配器 (另售),您可以在不使用时将产品挂在墙上。
产品编号: PFXZHWALADP
小心 |
|---|
|
拆装风险,设备损坏
产品悬挂在墙上时,请勿操作或连接产品。
不遵循上述说明可能导致人身伤害或设备损坏。
|
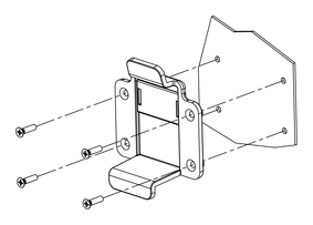
安装步骤
注:
-
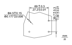
不包括安装螺钉。根据安装表面,请自行准备四颗 M4 螺钉 (螺钉头类型: ISO 7046-1) 或自攻螺钉。
-
确认墙壁的强度 (墙壁厚度、材料等) 足以承受本产品的重量。
- 在墙上钻孔以安装 M4 螺钉。
- 使用 M4 螺钉将壁挂适配器固定在墙上。需要 1.3 N•m (11.5 lb-in) 的力矩。
小心

