電源供給時の注意事項
危険 |
|---|
|
短絡、火災、装置の意図しない動作
上記の指示に従わないと、死亡または重傷を負うことになります。
|
-
本製品の主回路 (高電圧、大電流) 線、動力線、入出力線、電源ケーブルは、それぞれ束線や接近することなく、系列を分離して配線してください。動力線を別系統で配線できない場合は、入出力線としてシールドケーブルを使用してください。
-
DC モデルには独立した DC 電源の使用を推奨します。(DC 電源は本製品の近くに設置してください。)
-
電源ラインのノイズが多い場合、ノイズフィルター等でノイズを減少させてから給電してください。
-
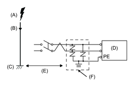
雷サージ対策にサージ保護デバイスを接続してください。
-
耐ノイズ性を高めるためには、電源ケーブルにフェライトコアを取り付けてください。
電源の接続
- DC 入力には、SELV (安全超低電圧) 回路と LIM (限定エネルギー) 回路を使用してください。
AC モデル
-
線と地面との間ではノイズの少ない電源を使用してください。ノイズが多い場合は、絶縁トランス (ノイズカットトランス) を接続してください。定電圧トランス、絶縁トランスの容量は定格値以上のものを使用してください。
-
直撃雷による大きな電磁界の影響により誘導雷サージが発生し、本製品の破損を招くおそれがありますので、サージ保護デバイスを設置してください。また、本製品のわたり接地線は、できるだけサージ保護デバイスの接地端子に近い位置に接続することをお勧めします。
落雷時の大きな雷サージエネルギーが避雷針の接地へ流れることにより、接地電位の変動による本製品への影響が予測されます。避雷針の接地点と、サージ保護デバイスの接地点を十分離すことをお勧めします。
危険

