Vorsichtsmaßnahmen Stromversorgung
GEFAHR |
|---|
|
KURZSCHLÜSSE, BRÄNDE ODER UNBEABSICHTIGTER
BETRIEB VON GERÄTEN
Die Nichtbeachtung dieser Anweisungen hat Tod oder schwere Verletzungen zur Folge.
|
-
Das Netzkabel des Geräts sollte nicht gemeinsam mit bzw. in unmittelbarer Nähe von Hauptstromleitungen (hohe Spannung, hoher Strom), Stromleitungen oder Ein-/Ausgangsleitungen verlegt werden. Außerdem sollten ihre verschiedenen Systeme auseinander gehalten werden. Wenn Stromleitungen nicht über ein separates System verkabelt werden können, sollten für Ein-/Ausgangsleitungen abgeschirmte Kabel verwendet werden.
-
Beim Gleichstrommodell (DC) wird eine unabhängige Gleichstromversorgung empfohlen. (Das Gleichstromnetzteil sollte sich in der Nähe des Geräts befinden)
-
Besteht in der Stromleitung ein übermäßiges Rauschen, vermindern Sie es vor dem Einschalten der Stromzufuhr mit einem Entstörfilter.
-
Schließen Sie einen Überspannungsschutz an, um Spannungsstöße auszugleichen.
-
Befestigen Sie zur Erhöhung des Rauschwiderstands einen Ferritkern am Netzkabel.
Stromversorgungsanschlüsse
- Verwenden Sie für den DC-Eingang SELV-Schaltung (Safety Extra-Low Voltage) und LIM-Schaltung (Limited Energy).
-
Falls die bereitgestellte Spannung den vorgeschriebenen Bereich übersteigt, schließen Sie das Gerät an eine geregelte Stromversorgung an.
Für Wechselstrommodell
-
Wählen Sie eine Netzzufuhr mit geringer Störung zwischen Leitung und Erde. Sollte übermäßige Störung vorhanden sein, schließen Sie einen Isoliertransformator an. Verwenden Sie Konstantspannungstransformatoren und Isoliertransformatoren mit einer Kapazität, die über dem Leistungsaufnahmewert liegt.
-
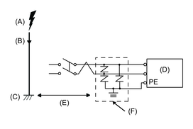
Nachfolgend wird der Anschluss für ein Überspannungsschutzgerät dargestellt:
-
Bringen Sie ein Überspannungsschutzgerät an, um Beschädigungen dieses Produkts durch Überspannung durch ein großes elektromagnetisches Feld in Folge von direktem Blitzschlag zu vermeiden. Es wird dringend empfohlen, den überkreuzten Erdungsdraht dieses Produkts an einer Stelle zu befestigen, die nahe an der Erdungsklemme des Überspannungsschutzgeräts ist.
Es ist davon auszugehen, dass dieses Gerät im Falle eines stark ansteigenden Elektroenergieflusses zur Blitzableitererdung bei einem Blitzschlag Schwankungen im Erdungspotenzial ausgesetzt ist. Sorgen Sie für ausreichend Abstand zwischen dem Erdungspunkt des Blitzableiters und dem Erdungspunkt des Überstromschutzgeräts.
GEFAHR

