Power Supply Precautions
DANGER |
|---|
|
SHORT CIRCUIT, FIRE, OR UNINTENDED EQUIPMENT OPERATION
Failure to follow these instructions will result in death or serious injury.
|
-
This product's power cord should not be bundled with or kept close to main circuit lines (high voltage, high current), power lines, or input/output lines, and their various systems should be kept separate. When power lines cannot be wired via a separate system, use shielded cables for input/output lines.
-
An independent DC power supply is recommended on the DC model. (The DC power supply should be located close to the product.)
-
If there is an excess amount of noise on the power supply line, reduce the noise with a noise filter before turning on the power.
-
Connect a surge protection device to handle power surges.
-
To increase noise resistance, attach a ferrite core to the power cable.
Power Supply Connections
- Use the SELV (Safety Extra-Low Voltage) circuit and LIM (Limited Energy) circuit for DC input.
-
If the voltage variation is outside the prescribed range, connect a regulated power supply.
For AC model
-
Select a power supply, low in noise, for between the line and ground. If there is an excess amount of noise, connect an insulating transformer. Use constant voltage and insulating transformers with capacities that exceed the Power Consumption value.
-
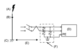
The following shows a surge protection device connection:
-
Attach a surge protection device to prevent damage to this product as a result of a lightning induced power surge from a large electromagnetic field generated from a direct lightning strike. We also strongly recommend to connect the crossover grounding wire of this product to a position close to the ground terminal of the surge protection device.
It is expected that there will be an effect on this product due to fluctuations in grounding potential when there is a large surge flow of electrical energy to the lightning rod ground at the time of a lightning strike. Provide adequate distance between the lightning rod grounding point and the surge protection device grounding point.
DANGER

