电源注意事项
危险 |
|---|
|
短路、火灾或意外的设备操作
未按说明操作将导致人身伤亡等严重后果。
|
-
本产品的电源线不应与主电路线(高电压,大电流)电源线、输入输出信号线靠近或捆扎在一起,且各个系统应相互分开。如果电源线的连接不能采用单独的系统,输入/输出线请使用屏蔽电缆。
-
建议在直流型号上使用独立的 DC 电源。(DC 电源应靠近产品。)
-
如果电源线上干扰过大,请在通电前用电源滤波器降噪。
-
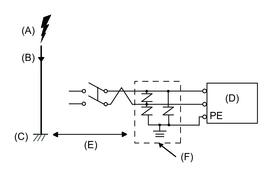
请连接电涌保护设备应对电源浪涌。
-
为提高抗噪能力,请在电源线上安装铁氧磁芯。
电源连接
- 使用直流电时,请使用安全特低电压 (SELV) 电路和限能 (LIM) 电路。
-
装上电涌保护设备以防止由于雷击所产生强电磁场的雷电电涌对本产品造成损坏。我们还强烈建议将本产品的交叉接地线连接到靠近电涌保护设备接地端子的位置。
发生雷击时,避雷针上会有较大的瞬时电流流过,导致接地电位发生波动,这会对本产品造成影响。在避雷针接地点与电涌保护设备接地点之间提供足够的距离。
危险

