전원 공급 장치 예방 조치
위험 |
|---|
|
합선, 화재 또는 의도하지
않은 장비 작동
이러한 지침을 따르지 않을 경우 심각한 부상 또는 사망으로 이어질 수 있습니다.
|
-
이 제품의 전원 코드는 주 회로선(고전압, 대전류)이나 전력선, 입력/출력 선과 함께 묶거나 가까이 두면 안 되며, 전선의 다양한 시스템이 분리돼 있어야 합니다. 전력선이 별도 시스템으로 배선될 수 없으면 입력/출력 선에 차폐 케이블을 사용하십시오.
-
DC 모델에는 독립적인 DC 전원 공급 장치를 사용하는 것이 좋습니다. (DC 전원 공급장치는 제품 가까이에 있어야 합니다.)
-
전원공급장치 선에서 노이즈가 심한 경우 전원을 켜기 전에 노이즈 필터를 사용하여 노이즈를 줄이십시오.
-
과부하를 방지하기 위해 서지 보호 장치를 연결하십시오.
-
노이즈 저항을 높이려면 전원 케이블에 페라이트 코어를 연결하십시오.
전원 공급 장치 연결
- DC 입력에는 SELV (Safety Extra-Low Voltage) 회로와 LIM (Limited Energy) 회로를 사용하십시오.
AC 모델의 경우
-
선과 접지 사이에 잡음이 적은 전원 공급 장치를 선택하십시오. 잡음이 과도하게 많다면 절연 변압기를 연결하십시오. 용량이 전력 소비량 값을 초과하는 정전압 및 절연 변압기를 사용하십시오.
-
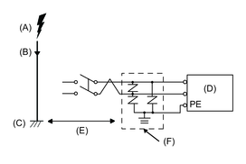
낙뢰가 직격하면서 거대한 전자기장이 발생하고 전원 서지가 유발돼 이 제품이 손상되는 것을 방지하려면 서지 보호 장치를 부착하십시오. 또한 이 제품의 교차 접지선을 서지 보호 장치의 접지 단자에 가까운 위치에 연결할 것을 적극 권장합니다.
낙뢰가 발생할 때 피뢰침 접지에 전기 에너지의 대규모 서지 흐름이 있을 때 대지 전위에 변동이 발생하여 제품에 영향을 미치게 될 것으로 예상됩니다. 피뢰침 접지 위치와 서지 보호 장치 접지 위치 사이에 적절한 거리를 유지하십시오.
위험

