Welcome the Pro-face America Website
Partner Portal Log-in
Home
Products
Pre-Built IPCs Ready to Ship!
EXCESS INVENTORY! ORDER TODAY!
Product Customizations
Product Modifications
Custom Overlays
HMI Engineering Services
Product Tools
Find The Right HMI for your Needs
Compare and Shop
Product Catalog (PDF)
Pro-face eCatalog
Pro-face Software Guide
GP-Pro EX Supported Models
Edge Box
Edge Box TOP
Pro-face Edge Box (PC, HMI, Gateway)
Multi-Converter
Industrial PC (IPC)
Industrial PC (IPC) TOP
PS6000 Series
PS6000 Configurators
Advanced HMI
Advanced HMI TOP
SP5000 Series
SP5000X Series
GP4000 Series
GP4000R (Rear mount) Series
GP4000H Series
Basic HMI
Basic HMI TOP
ST6000 Series
STM6000 Series
GP4100 Series
Entry Level HMI
Entry HMI TOP
ET6000 Series
HMI + Control
HMI + Control TOP
STC6000 Series
LT4000M Series
Web HMI
Web HMI TOP
STW6000 Series
Software
Software TOP
BLUE
BLUE Open Studio
GP-Pro EX
GP-Viewer EX
Pro-Server EX
Pro-face Remote HMI
Pro-face Remote HMI Client for Win
Secure Remote Access Pro-face Connect
Flat Panel Monitors
Flat Panel Monitors TOP
Selection Guide
FP6000 Series
SP5000 Series Multi Display Adapter
FP5000 Series (Multi-Touch)
Other Hardware
Other Hardware TOP
EZ Series USB Solutions
CANOpen Slave HTB Unit
Discontinued Products
Recommended Substitute Products
Solutions
About HMI Centric
What is HMI Centric
- OT / IT Connectivity
- Offer Scalable and Customizable
- Collaborative System
- Intuitive Layout Design
- Increasing information value
- Modern Visualization
- Robust and cyber secure Solutions
- Global Availability / Support / Training
- Effortless migration to innovations
Virtual Showroom
HMI Centric Architecture
What is HMI Centric Architecture
Download leaflet
Success story
Customer Story
Use Case
Customer Testimonials
Industry Segment Solutions
Semiconductor
Food and Beverage
Pharmaceutical
EV Battery
Device Connection Sample
What is a Device Connection Sample
Robot
Motion / Servo
Actuators
Inverter
Temperature Controller
Vision Sensor
Nutrunner
Sensor
Burner Controllers
Solution Search
Support
Technical Resources
HMI Design Studio
BLUE
BLUE Open Studio
GP-Pro EX
Technical Webinars
Downloads
Keyword & Advanced Search
Manuals
Datasheets
Catalogs
Software & Drivers
Device Connection Samples
Export Documents
Certifications
CAD Data
Global Certifications
Updates and Drivers
Pro-face Training
How-to Videos
Learning Center
Support & Technical Videos
Migration Center
Frequently Asked Questions
Legacy Knowledge Base (FAQs)
Global Knowledge Base (FAQs)
Pro-face Remote HMI Q&A
Standards and Regulations
Standards and Regulations
Cybersecurity
Green Premium
Qualification of Microsoft Updates
Worldwide Support
Repair
Repair Center
Warranties
Return for Credit Process
Repair Request
Repair Guides
Repair Status Request
Standard Terms and Condition
About Pro-face
Company Profile
Contact Us
Pro-face Brand
Pro-face Brand TOP
Brand History
Brand Initiatives
Corporate Social Responsibility
People
Community
Environment
Environmental Data Program
Worldwide Contacts
News
Green Premium
Buy
EXCESS INVENTORY! ORDER TODAY!
Pre-Built IPCs Ready to Ship!
Distributor locator
Sales Territory Map
Channel Partner Levels
Pricing
Distributor Store
Compare and Shop
Literature and Promo Items
CLOSE
Home
Products
Pre-Built IPCs Ready to Ship!
EXCESS INVENTORY! ORDER TODAY!
Product Customizations
Product Modifications
Custom Overlays
HMI Engineering Services
Product Tools
Find The Right HMI for your Needs
Compare and Shop
Product Catalog (PDF)
Pro-face eCatalog
Pro-face Software Guide
GP-Pro EX Supported Models
Edge Box
Edge Box TOP
Pro-face Edge Box (PC, HMI, Gateway)
Multi-Converter
Industrial PC (IPC)
Industrial PC (IPC) TOP
PS6000 Series
PS6000 Configurators
Advanced HMI
Advanced HMI TOP
SP5000 Series
SP5000X Series
GP4000 Series
GP4000R (Rear mount) Series
GP4000H Series
Basic HMI
Basic HMI TOP
ST6000 Series
STM6000 Series
GP4100 Series
Entry Level HMI
Entry HMI TOP
ET6000 Series
HMI + Control
HMI + Control TOP
STC6000 Series
LT4000M Series
Web HMI
Web HMI TOP
STW6000 Series
Software
Software TOP
BLUE
BLUE Open Studio
GP-Pro EX
GP-Viewer EX
Pro-Server EX
Pro-face Remote HMI
Pro-face Remote HMI Client for Win
Secure Remote Access Pro-face Connect
Flat Panel Monitors
Flat Panel Monitors TOP
Selection Guide
FP6000 Series
SP5000 Series Multi Display Adapter
FP5000 Series (Multi-Touch)
Other Hardware
Other Hardware TOP
EZ Series USB Solutions
CANOpen Slave HTB Unit
Discontinued Products
Recommended Substitute Products
Solutions
About HMI Centric
What is HMI Centric
- OT / IT Connectivity
- Offer Scalable and Customizable
- Collaborative System
- Intuitive Layout Design
- Increasing information value
- Modern Visualization
- Robust and cyber secure Solutions
- Global Availability / Support / Training
- Effortless migration to innovations
Virtual Showroom
HMI Centric Architecture
What is HMI Centric Architecture
Download leaflet
Success story
Customer Story
Use Case
Customer Testimonials
Industry Segment Solutions
Semiconductor
Food and Beverage
Pharmaceutical
EV Battery
Device Connection Sample
What is a Device Connection Sample
Robot
Motion / Servo
Actuators
Inverter
Temperature Controller
Vision Sensor
Nutrunner
Sensor
Burner Controllers
Solution Search
Support
Technical Resources
HMI Design Studio
BLUE
BLUE Open Studio
GP-Pro EX
Technical Webinars
Downloads
Keyword & Advanced Search
Manuals
Datasheets
Catalogs
Software & Drivers
Device Connection Samples
Export Documents
Certifications
CAD Data
Global Certifications
Updates and Drivers
Pro-face Training
How-to Videos
Learning Center
Support & Technical Videos
Migration Center
Frequently Asked Questions
Legacy Knowledge Base (FAQs)
Global Knowledge Base (FAQs)
Pro-face Remote HMI Q&A
Standards and Regulations
Standards and Regulations
Cybersecurity
Green Premium
Qualification of Microsoft Updates
Worldwide Support
Repair
Repair Center
Warranties
Return for Credit Process
Repair Request
Repair Guides
Repair Status Request
Standard Terms and Condition
About Pro-face
Company Profile
Contact Us
Pro-face Brand
Pro-face Brand TOP
Brand History
Brand Initiatives
Corporate Social Responsibility
People
Community
Environment
Environmental Data Program
Worldwide Contacts
News
Green Premium
Buy
EXCESS INVENTORY! ORDER TODAY!
Pre-Built IPCs Ready to Ship!
Distributor locator
Sales Territory Map
Channel Partner Levels
Pricing
Distributor Store
Compare and Shop
Literature and Promo Items
CLOSE
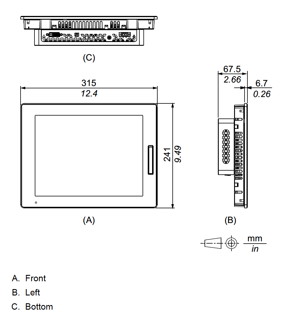
FP6600TMD External Dimensions
Download file
fp6600_extenaldim.png
107.44 kB (110,014 Byte)