トリガーが設定されているオブジェクトをタッチすると、オペレーションが実行されます。

onClick($GraphicObject, ()=>{
1 2
})
1: オペレーション
2: 対象オブジェクト
対象オブジェクトで使用可能なオブジェクトについては、以下を参照してください。
オブジェクトをタッチした後に離すと、オペレーションが実行されます。
onClick($GraphicObject.Rectangle1, ()=>{
});
オブジェクトを押すと、オペレーションが実行されます。
onPress($GraphicObject.Rectangle1, ()=>{
});
1: EnableDelay
指定した時間の間オブジェクトが押されると、オペレーションが実行されます。
遅延時間を設定する場合はチェックボックスにチェックを入れます。
テキストモードで遅延時間 (例、10*100 ms) を設定するには、以下を使用します。
onPressWithDelay($GraphicObject.Rectangle1, 10, ()=>{
});
| 使用例 1 | : オペレーションが実行されます |
| 使用例 2 | : オペレーションが実行されます : 遅延時間 |
| 使用例 3 | : オペレーションが実行されます : オペレーションは実行されません : 遅延時間 |
オブジェクトを離すと、オペレーションが実行されます。
onRelease($GraphicObject.Rectangle1, () => {
});
1: EnableDelay
オブジェクトを離した後に指定した時間が経過すると、オペレーションが実行されます。
遅延時間を設定する場合はチェックボックスにチェックを入れます。
テキストモードで遅延時間 (例、10*100 ms) を設定するには、以下を使用します。
onReleaseWithDelay($GraphicObject.Rectangle1, 10, () => {
});
|
|
[Release] トリガーを設定すると、対象オブジェクトがタッチできない場合でも [Release] トリガーが有効になる事を考慮してください。 上記の指示に従わないと、死亡、重傷、または物的損害を負う可能性があります。 |
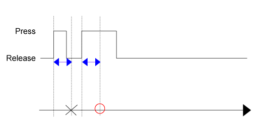
以下の場合も、[Release] トリガーは有効になります。
| 使用例 1 | : オペレーションが実行されます |
| 使用例 2 | : オペレーションが実行されます : 遅延時間 |
| 使用例 3 | : オペレーションが実行されます : 遅延時間 |
同じオブジェクトに [Press] トリガーと [Release] トリガーが両方設定され、[Press] 遅延時間が経過する前にオブジェクトが離された場合、[Release] トリガーは実行されますが、[Press] トリガーは実行されません。

: オペレーションが [ Release] トリガーで実行されます
: オペレーションは [ Press] トリガーで実行されません
: [Press] 遅延時間
オブジェクトを押し続けている間、指定した時間中オペレーションを繰り返し実行します。[Duration] に設定できる時間の最大値は 30 秒です。
onHold($GraphicObject.Rectangle1, 1000, ()=>{
})
1: EnableDelay
指定した時間の間オブジェクトが押されると、オペレーションが実行されます。
遅延時間を設定する場合はチェックボックスにチェックを入れます。
テキストモードで遅延時間 (例、10*100 ms) を設定するには、以下を使用します。
onHoldWithDelay($GraphicObject.Rectangle1, 1000, 10, () => {
});
| 使用例 1 | : オペレーションが実行されます : Hold 時間 |
| 使用例 2 | : オペレーションが実行されます : 遅延時間 : Hold 時間 |
オブジェクトをダブルクリックすると、オペレーションが実行されます。

onDoubleClick($GraphicObject.Rectangle1, ()=>{
});
| 図形 | 対応 |
| 部品 | 以下を除くすべての部品に対応しています。
|
| 設定済み画像 | 対応 |
| レイアウトオブジェクト | 非対応 |
| グループオブジェクト | 非対応 |
| 画面/コンテンツ | 非対応 |
タッチ領域は、オブジェクトを選択したときに表示される幅と高さのある領域です。
以下の図では、赤色の領域がタッチ領域です。
