PSA6000-MM01-KO.00

설치 요구 사항

주의
화상 위험
작동 중에 베젤 또는 후면 섀시를 만지지 마십시오.
이러한 지침을 따르지 않을 경우 부상 또는 장비 손상이 초래될 수 있습니다.
  • 설치 벽이나 캐비닛 표면이 평평하고 상태가 양호하며 모서리가 고른지 확인하십시오. 금속 보강대를 벽 내부, 패널 컷아웃 근처에 부착하여 강도를 향상시킬 수 있습니다.

  • 필요한 강도 수준에 따라 인클로저 벽 두께를 결정합니다. 설치 벽의 두께가 지정 범위 내에 있더라도 벽의 소재, 크기, 이 제품과 기타 장치의 설치 위치에 따라 설치 벽이 휠 수 있습니다. 휨을 방지하기 위해 설치 표면을 강화해야 할 수도 있습니다. 지정된 벽 두께 범위는 패널 컷아웃 치수를 참조하십시오.

  • 주변 공기 온도와 주변 습도가 환경 사양에서 지정된 범위 내에 있는지 확인하십시오. 이 제품을 캐비닛이나 인클로저 내부에 설치할 때 주변 공기 온도는 캐비닛이나 인클로저의 내부 및 외부 온도입니다.

    1. 내부 온도

    2. 외부 온도

  • 주위 장비에서 발산하는 열로 인해 표준 작동 온도를 초과하지 않도록 하십시오.

  • 이 제품을 세로 방향으로 장착할 때는 제품의 오른쪽이 위를 향하도록 하십시오. 즉, 전원 커넥터가 위쪽에 있어야 합니다.

    주의: 사용자의 응용 프로그램이 디스플레이의 세로 방향을 지원하는지 확인하시기 바랍니다.
    1. 전원 커넥터

  • 이 제품을 경사진 곳에 설치할 때는 제품 앞면이 30° 이상 기울어지면 안 됩니다.

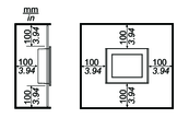
  • 유지 보수, 작동을 더욱 수월하게 하고 환기를 개선하기 위해 다음 그림과 같이 이 제품을 인접한 구조물과 기타 장비로부터 최소 100 mm (3.94 in) 떨어진 곳에 설치하십시오.

압력차

이 제품을 사용하거나 설치할 때, 이 제품이 장착되어 들어가는 인클로저 내부와 외부 간 압력차가 전혀 없도록 조치를 취하는 것이 중요합니다. 인클로저 내부의 압력이 더 높으면 디스플레이의 전면 막에 박리 현상이 일어날 수 있습니다. 인클로저 내부 압력에 조금이라도 차이가 있으면 막의 큰 면적에 영향을 주어 박리를 일으킬 정도의 물리력이 발생해 터치 수용 능력이 상실될 수 있습니다. 압력차는 서로 다른 방에 서로 다른 속도로 공기를 움직이는 팬과 환풍기가 여럿 있는 경우에 자주 발생할 수 있습니다. 다음 방법을 따라 주셔서 이 제품의 기능이 이 같은 경우로 영향을 받지 않게 하시기 바랍니다.

  1. 인클로저 내 모든 도관 연결부, 특히 압력이 다를 수 있는 다른 방으로 연결되는 도관 연결부를 밀봉합니다.

  2. 적용 가능한 경우, 인클로저 바닥에 작은 구멍을 내어 내부와 외부 압력이 같아지게 합니다.

검색 결과 (0)

닫기