PSA6000-MM01-JA.00

取り付け条件

注意
火傷のおそれ
操作中はベゼルや後部の外枠に触れないでください。
上記の指示に従わないと、負傷または機器の損傷を負う可能性があります。
  • 設置する壁またはケースの面が平坦で、良好な状態にあり、尖った角がないことを確認してください。壁内側のパネルカット付近に金属製の補強板を取り付けることで、強度を向上させることができます。

  • 必要な強度レベルに基づいて、エンクロージャー壁面の厚さを決めます。パネル厚範囲であっても、パネルの材質、大きさによっては本製品や接続機器の取り付け位置によりパネルが反る場合があります。パネルの反りを防止するためには、補強板をつけることも有効です。 指定されたパネル厚範囲については、パネルカット寸法 を参照してください。

  • 使用周囲温度と使用周囲湿度が 環境仕様 で指定された範囲内にあることを確認のうえ、使用してください。本製品をキャビネットやエンクロージャーに設置する場合、使用周囲温度はキャビネットやエンクロージャーの内部温度と外部温度を指します。

    1. 内部温度

    2. 外部温度

  • 他の機器の発熱で本製品が過熱しないようにしてください。

  • 縦取り付けの場合は、本製品の右側面が上になっていることを確認してください。つまり、電源コネクターが上になるようにしてください。

    注記: アプリケーションがディスプレイの縦向きに対応していることを確認してください。
    1. 電源コネクター

  • 本製品を斜めに設置する場合は、垂直より 30° 以内にしてください。

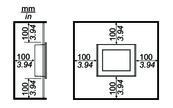
  • 保守性、操作性、および風通しを良くするため、本製品と構造物や部品との間には 100 mm (3.94 in) 以上のスペースをとってください。

圧力差

本製品の利用および設置の際には、本製品を搭載するエンクロージャーの内部と外部の圧力差をなくすようにすることが重要です。エンクロージャー内部側の圧力が高くなると、ディスプレイの前面膜に層間剥離が生じる可能性があります。ごく小さな圧力差でも、膜の広範囲に作用して層間剥離を生じる大きな力が発生し、タッチ機能が損なわれることがあります。複数のファンや換気装置によって、別々の部屋において異なる速度で空気を移動させるような場合に、圧力差が発生しやすくなります。以下に示す手法を用いて、本製品の機能が圧力差による影響を受けないようにしてください。

  1. エンクロージャー内部の電線管接続部、特に圧力が異なると思われる部屋につながる接続部をすべて密封してください。

  2. 必要に応じて、エンクロージャーの底部に小さな穴を設け、内部と外部の圧力が常に等しくなるようにしてください。

検索結果 (0)

閉じる