Requisitos de instalación
ATENCIÓN |
|---|
|
RIESGO DE QUEMADURAS
Si no se siguen estas instrucciones, pueden producirse lesiones o daños en el equipo.
|
-
Compruebe que el panel de instalación o la superficie del armario sea plano, que esté en buen estado y que los flancos no presenten picos. Se pueden colocar tiras metálicas de refuerzo en el interior de la pared, cerca del recorte del panel, para aumentar su rigidez.
-
Determine el espesor de pared del recinto de acuerdo con el nivel de resistencia necesario. Incluso si el grosor de la pared de instalación está dentro del rango especificado, dependiendo del material de la pared, el tamaño y la ubicación de instalación de este producto y otros dispositivos, la pared de instalación podría deformarse. Para evitar que se deforme, es posible que sea necesario reforzar la superficie de instalación. Para el rango de grosor de pared especificado, consulte Dimensiones del corte del panel.
-
Compruebe que la temperatura ambiente y humedad ambiente se encuentren dentro de los rangos especificados en las Especificaciones ambientales. Cuando instale este producto en un armario o en una carcasa, la temperatura ambiente es la temperatura interna y externa de la carcasa.
-
Asegúrese de que el calor desprendido por el equipo adyacente no ocasione que este producto supere su temperatura de funcionamiento estándar.
-
Cuando coloque este producto en orientación vertical, asegúrese de que el lado derecho del producto esté orientado hacia arriba. En otras palabras, el conector de alimentación debe estar a la derecha.
NOTA: Asegúrese de que sus aplicaciones sean compatibles con la orientación vertical de la pantalla. -
Cuando instala este producto en posición inclinada, la cara del mismo no debe inclinarse más de 30°.
-
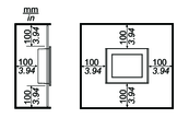
Para un funcionamiento y mantenimiento más sencillos, así como con una mejor ventilación, instale este producto a 100 mm (3,94 in) como mínimo de otros equipos y estructuras adyacentes, tal y como se muestra en la siguiente ilustración:
NOTA: Asegúrese de tener suficiente espacio para insertar y retirar el almacenamiento externo.
Diferencias de presión
Cuando aplica e instala este producto, es importante tomar las medidas necesarias para eliminar cualquier diferencia de presión entre la parte interior y la parte exterior del recinto donde se coloca el producto. Si hay mayor presión dentro del recinto, puede provocar la delaminación de la membrana en la parte frontal del display. Incluso una pequeña diferencia de presión dentro del recinto afectará el área grande de la membrana y puede provocar la fuerza suficiente para delaminar la membrana y, por lo tanto, causar el fallo de la capacidad táctil. Las diferencias de presión pueden ocurrir con frecuencia en las aplicaciones donde hay varios ventiladores que mueven el aire a diferentes velocidades en distintas habitaciones. Siga las técnicas a continuación con el fin de garantizar que el funcionamiento de este producto no se vea afectado por el mal uso:
-
Selle todas la conexiones de conductos dentro del recinto, especialmente los que conducen a otras habitaciones que pueden tener una presión diferente.
-
Si aplica, instale una pequeña abertura de drenaje en la parte inferior del recinto para permitir la igualación de la presión interna y externa.
ATENCIÓN


