Exigences d'installation
ATTENTION |
|---|
|
RISQUE DE BRÛLURES
Le non-respect de ces instructions peut provoquer des blessures ou des dommages matériels.
|
-
Assurez-vous que le mur d'installation ou la surface de l'armoire est plane, en bon état et ne comporte pas de bords irréguliers. Des bandes métalliques de renforcement peuvent être fixées à l'intérieur de la paroi, à proximité de la découpe, pour en augmenter la rigidité.
-
Déterminez l'épaisseur du mur de l'enceinte en fonction du niveau de résistance requis. Même si l'épaisseur du mur d'installation se situe dans la plage spécifiée, selon le matériau du mur, la taille et l'emplacement d'installation de ce produit et d'autres appareils, le mur d'installation pourrait se déformer. Pour éviter la déformation, la surface du montage devra peut-être être renforcée. Pour connaître la plage d'épaisseur de mur spécifiée, voir Dimensions de découpe du panneau.
-
Assurez-vous que la température de l'air ambiant et l'humidité ambiante sont comprises dans les plages indiquées dans les Caractéristiques environnementales. Lors de l'installation du produit dans une armoire ou une enveloppe, la température ambiante de fonctionnement est la température interne ou externe de l'armoire ou du l'enveloppe.
-
Assurez-vous que la chaleur dégagée par les équipements situés à proximité n'entraîne pas un dépassement de la température de fonctionnement standard du produit.
-
Lors du montage du produit à l'orientation portrait, assurez-vous que le côté droit du produit est orienté vers le haut. En d'autres mots, le connecteur d'alimentation devra se situer sur le dessus.
NOTE: Assurez-vous que vos applications prennent en charge l'orientation portrait de l'écran -
Lors de l'installation du produit dans une position inclinée, l'inclinaison ne doit pas dépasser 30°.
-
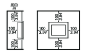
Pour faciliter la maintenance et le fonctionnement et améliorer la ventilation, installez le produit à au moins 100 mm (3,94 in) des structures voisines et des autres équipements, comme indiqué sur l'illustration suivante :
NOTE: Assurez-vous de disposer de suffisamment d'espace pour insérer et retirer le périphérique de stockage externe.
Différences de pression
Lors de l'application et de l'installation de ce produit, il est important que des mesures soient prises pour éliminer toute différence de pression entre l'intérieur et l'extérieur du boîtier dans lequel le produit est installé. Une pression plus élevée à l'intérieur du boîtier peut causer un décollement à l'avant de la membrane de l'écran. Même une petite différence de pression à l'intérieur du boîtier aura un effet sur la grande superficie de la membrane et ne peut produire qu'une force suffisante pour décoller la membre et causer l'échec de la capacité tactile. Des différences de pressions peuvent se produire souvent dans les installations où il y a de nombreux ventilateurs qui déplacent l'air à taux différents dans différentes salles. Veuillez suivre ces techniques pour vous assurer que le fonctionnement de ce produit n'est pas touché par cette mauvaise installation :
-
Scellez tous les raccordements de conduit à l'intérieur du boîtier, particulièrement ceux qui sont reliés à d'autres salles qui pourront avoir une autre pression.
-
Le cas échéant, installez un petit trou d'évacuation au bas du boîtier pour permettre l'égalisation des pressions interne et externe.
ATTENTION


