
Zoom
Zoom display settings
Address
Specify whether to use zoom display or not.
Zoom Word Address
Specify an address for zoom operations. Use a sequence of 3 Words from the specified address.
For a 32-bit device, use only the bottom 16 bits.

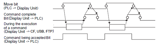
Timing Chart for Zoom Operation of the Movie Player
Control

Zoom specifications
Specify the zoom by storing one of the following values:
0: Standard
1: 1/4
2: 1/16
3 to 0xFFFE Reserved (no change)
0xFFFF: Normal (return to the main screen)
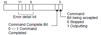
Status

|
Error Details/Bit State |
Error Name |
Description |
|---|---|---|
|
0 |
Completed Successfully |
Operating normally. |
|
1 |
The zoom specification is invalid. |
The specified value is out of the acceptable range. |
|
2 |
Executing an instruction from the switch |
Processing a switch instruction set up on the screen. The request cannot be processed. |
|
3 to 15 |
Reserved |
These are reserved numbers and are not specified. |
Move
Settings for moving the screen position.
Address
If a movie to be played does not fit completely on the screen, specify whether to move the movie play coordinates.
Move Word Address
Specify an address for moving the play position. Use a sequence of 2 Words from the specified address.
For a 32-bit device, use only the bottom 16 bits.

Timing Chart for Move Operation of Movie Player
Control

The bit priority is higher for the upper bits and lower for the lower bits.
When each allocated bit is turned ON, the movie moves according to the following dots.
If a movie cannot be moved, an error is returned to the status address.
|
Direction |
When playing a movie |
When playing a video |
|---|---|---|
|
Landscape direction |
2 dot unit |
2 dot unit |
|
Portrait direction |
Normal size: 2 pixel units 1/4 and 1/16 sizes: 1 dot unit |
1 dot unit |
Status

|
Error Details/Bit State |
Error Name |
Description |
|---|---|---|
|
0 |
Completed Successfully |
Operating normally. |
|
1 |
The movie is at the screen edge. |
The movie cannot be moved because it is at the edge of the screen. |
|
2 |
Executing an instruction from the switch |
Processing a switch instruction set up on the screen. The request cannot be processed. |
|
3 to 15 |
Reserved |
These are reserved numbers and are not specified. |
Timing Chart for Zoom Operation of the Movie Player

Screen Display When Zoom is Specified
When the display size is [1/4] and the screen size is 1/4 of the movie image

When the display size is [Normal] and the screen size is 1/4 of the movie image

When the display size is [1/16] and the screen size is 1/16 of the movie image

When the display size is [1/4] and the screen size is 1/16 of the movie image

When the display size is [Normal] and the screen size is 1/16 of the movie image

If a movie image is zoomed and the size is smaller than the display size, the display size automatically changes to the movie image size.


Timing Chart for Move Operation of Movie Player
