触摸设置有触发条件的对象以运行操作。

onClick($GraphicObject, ()=>{
    1          2
 })
1: 操作
2: 目标对象
有关目标对象中可用对象的信息,请参阅以下内容。
触摸对象再释放时触发操作。
 onClick($GraphicObject.Rectangle1, ()=>{
});
当按下对象时触发操作。
 onPress($GraphicObject.Rectangle1, ()=>{
 });
1: EnableDelay
将对象按住设定的时间后,运行该操作。
选择复选框,设置一个延迟时间。
要在文本模式下设置一个延迟时间 (例如,10*100 毫秒),请使用
onPressWithDelay($GraphicObject.Rectangle1, 10, ()=>{
});
| 示例 1 |    :触发操作 | 
	
| 示例 2 |    :触发操作  :延迟时间 | 
	
| 示例 3 |    :触发操作  :不触发操作  :延迟时间 | 
	
当释放对象时触发操作。
 onRelease($GraphicObject.Rectangle1, () => {
 });
1: EnableDelay
释放对象并经过指定的时间后,运行该操作。
选择复选框,设置一个延迟时间。
要在文本模式下设置一个延迟时间 (例如,10*100 毫秒),请使用
onReleaseWithDelay($GraphicObject.Rectangle1, 10, () => {
 });
  | 
	
| 
		 设计[Release]触发条件时,要考虑到当目标对象不再可触摸时,[Release]触发条件也会被激活。 如果未能遵守本说明,可能会导致人员死亡、重伤或设备损坏。  | 
	
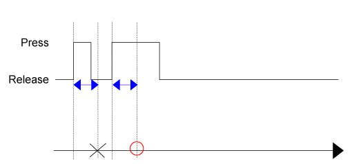
以下情况下也激活[Release]触发条件。
| 示例 1 |    :触发操作 | 
	
| 示例 2 |    :触发操作  :延迟时间 | 
	
| 示例 3 |    :触发操作  :延迟时间 | 
	
如果在同一个对象上同时指定[Press]和[Release]触发条件,并且在[Press]延迟时间经过之前释放对象,则[Release]触发条件而非[Press]触发条件会执行。

:操作由[Release]触发条件触发
:操作不是由[Press]触发条件触发
:[Press] 延迟时间
继续触摸对象上时,将在指定的持续时间内重复触发该操作。您可以为[持续时间]设置的最大值为 30 秒。
 onHold($GraphicObject.Rectangle1, 1000, ()=>{
 })
1: EnableDelay
将对象按住设定的时间后,运行该操作。
选择复选框,设置一个延迟时间。
要在文本模式下设置一个延迟时间 (例如,10*100 毫秒),请使用
onHoldWithDelay($GraphicObject.Rectangle1, 1000, 10, () => {
 });
| 示例 1 |    :触发操作  :保持时间 | 
	
| 示例 2 |    :触发操作  :延迟时间 : 保持时间 | 
	
双击对象时触发该操作。

onDoubleClick($GraphicObject.Rectangle1, ()=>{
});
| 形状 | 支持 | 
| 部件 | 除以下部件外,所有部件均受支持。
  | 
	
| 预定义图像 | 支持 | 
| 布局对象 | 不支持 | 
| 分组对象 | 不支持 | 
| 画面/内容 | 不支持 | 
触摸区域是选择对象时显示的宽度和高度的区域。
在下图中,红色区域是触摸区域。
