Touchez l'objet configuré avec le déclencheur pour exécuter l'opération.

onClick($GraphicObject, ()=>{
1 2
})
1 : Opération
2 : Objet cible
Pour plus d'informations sur les objets qui sont disponibles dans l'objet de cible, voir ci-dessous.
L'opération est déclenchée lorsque vous touchez l'objet, puis le relâchez.
onClick($GraphicObject.Rectangle1, ()=>{
});
Cette opération est déclenchée lorsque vous appuyez sur l'objet.
onPress($GraphicObject.Rectangle1, ()=>{
});
1 : EnableDelay
Après avoir appuyé sur l'objet pendant le délai défini, l'opération est exécutée.
Cochez la case pour définir un temps de retard.
Pour définir un temps de retard (par exemple, 10*100 ms) en mode Texte, utiliser
onPressWithDelay($GraphicObject.Rectangle1, 10, ()=>{
});
| Exemple 1 | : Opération déclenchée |
| Exemple 2 | : Opération déclenchée : Délai |
| Exemple 3 | : Opération déclenchée : Opération NON déclenché : Délai |
L'opération est déclenchée lorsque vous relâchez l'objet.
onRelease($GraphicObject.Rectangle1, () => {
});
1 : EnableDelay
Une fois que l'objet est relâché et que le délai spécifié est découlé, l'opération est exécutée.
Cochez la case pour définir un temps de retard.
Pour définir un temps de retard (par exemple, 10*100 ms) en mode Texte, utiliser
onReleaseWithDelay($GraphicObject.Rectangle1, 10, () => {
});
|
|
Lors de la conception du déclencheur [Release], prenez en considération que le déclencheur [Release] est également activé lorsque l'objet de cible ne peut plus être touché. Le non-respect de ces directives peut entraîner la mort, des blessures graves ou des dommages matériels. |
Le déclencheur [Release] est également activé dans les cas suivants.
| Exemple 1 | : Opération déclenchée |
| Exemple 2 | : Opération déclenchée : Délai |
| Exemple 3 | : Opération déclenchée : Délai |
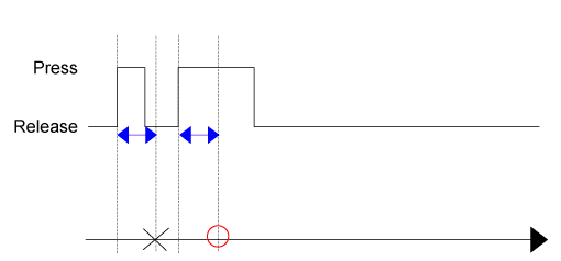
Si les déclencheurs [Press] et [Release] sont spécifiés sur le même objet et que l'objet est relâché avant que le délai [Press] s'écoule, le déclencheur [Release] est exécuté mais non pas le déclencheur [Press].

: L'opération est déclenché par le déclencheur [Release]
: L'opération n'est PAS déclenchée par le déclencheur [Press]
: Délai du déclencheur [Press]
Pendant que vous continuez à toucher l'objet, l'opération est déclenchée à plusieurs reprises pendant la durée spécifiée. La valeur maximale configurable pour la [Durée] est de 30 secondes.
onHold($GraphicObject.Rectangle1, 1000, ()=>{
})
1 : EnableDelay
Après avoir appuyé sur l'objet pendant le délai spécifié, l'opération est exécutée.
Cochez la case pour définir un temps de retard.
Pour définir un temps de retard (par exemple, 10*100 ms) en mode Texte, utiliser
onHoldWithDelay($GraphicObject.Rectangle1, 1000, 10, () => {
});
| Exemple 1 | : L'opération est déclenchée : Délai d'attente |
| Exemple 2 | : L'opération est déclenchée : Délai : Délai d'attente |
Cette opération est déclenchée lorsque vous double-cliquez sur l'objet.

onDoubleClick($GraphicObject.Rectangle1, ()=>{
});
| Formes | Pris en charge |
| Composants | Tous les objets sont pris en charge, sauf ce qui suit.
|
| Images prédéfinies | Pris en charge |
| Objets de disposition | Non pris en charge |
| Objet regroupé | Non pris en charge |
| Écrans/Contenu | Non pris en charge |
La zone tactile est la zone de la largeur et de la hauteur qui est affichée lorsque l'objet est sélectionné.
Dans la figure ci-dessous, la zone en rouge est la zone tactile.
