Toque el objeto configurado con el disparador para ejecutar la operación.

onClick($GraphicObject, ()=>{
1 2
})
1: Operación
2: Objeto de destino
Para más información sobre los objetos disponibles en Objeto de destino, véase lo siguiente.
La operación se activa cuando toca el objeto y lo libera.
onClick($GraphicObject.Rectangle1, ()=>{
});
La operación se activa cuando pulsa el objeto.
onPress($GraphicObject.Rectangle1, ()=>{
});
1: EnableDelay
Cuando se pulsa el objeto durante el tiempo definido, se ejecuta la operación.
Seleccione la casilla para establecer un tiempo de retardo.
Para establecer un tiempo de retardo (por ejemplo, 10*100 ms) en el modo de Texto, utilice
onPressWithDelay($GraphicObject.Rectangle1, 10, ()=>{
});
| Ejemplo 1 | : Se activa la operación |
| Ejemplo 2 | : Se activa la operación : Tiempo de retraso |
| Ejemplo 3 | : Se activa la operación : No se activa la operación : Tiempo de retraso |
La operación se activa cuando libera el objeto.
onRelease($GraphicObject.Rectangle1, () => {
});
1: EnableDelay
Después de pulsar el objeto durante el tiempo definido, se ejecuta la operación.
Seleccione la casilla para establecer un tiempo de retardo.
Para establecer un tiempo de retardo (por ejemplo, 10*100 ms) en el modo de Texto, utilice
onReleaseWithDelay($GraphicObject.Rectangle1, 10, () => {
});
|
|
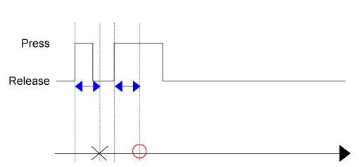
Cuando diseñe el disparador [Release], tenga en cuenta que el disparador[Release] también se activa cuando el objeto de destino ya no se puede tocar. Si no se siguen estas instrucciones, pueden ocasionarse lesiones graves, mortales o daños en el equipo. |
El disparador [Release ] también se activa en los siguientes casos.
| Ejemplo 1 | : Se activa la operación |
| Ejemplo 2 | : Se activa la operación : Tiempo de retraso |
| Ejemplo 3 | : Se activa la operación : Tiempo de retraso |
Si se especifican los disparadores de [Press] y [Release] en el mismo objeto, y si el objeto se libera antes de que transcurra el tiempo de retraso de [Press], se ejecuta el disparador de [Release] pero no el de [Press].

: La operación se activa con el disparador [Release]
: La operación NO se activa con el disparador[Press]
:[Press] Tiempo de retraso
Mientras siga tocando el objeto, la operación se activará repetidamente durante la duración especificada. El valor máximo que puede definir para la [Duration] es 30 segundos.
onHold($GraphicObject.Rectangle1, 1000, ()=>{
})
1: EnableDelay
Después de pulsar el objeto durante el tiempo especificado, se ejecuta la operación.
Seleccione la casilla para establecer un tiempo de retardo.
Para establecer un tiempo de retardo (por ejemplo, 10*100 ms) en el modo de Texto, utilice
onHoldWithDelay($GraphicObject.Rectangle1, 1000, 10, () => {
});
| Ejemplo 1 | : Se activa la operación : Tiempo de retención |
| Ejemplo 2 | : Se activa la operación : Tiempo de retraso : Tiempo de retención |
La operación se activa cuando hace doble clic en el objeto.

onDoubleClick($GraphicObject.Rectangle1, ()=>{
});
| Formas | Compatibles |
| Objetos | Todos los objetos son compatibles, excepto los siguientes.
|
| Imágenes predefinidas | Compatibles |
| Objetos de diseño | No se admite |
| Objeto agrupado | No se admite |
| Pantallas/Contenidos | No se admite |
El área táctil es el área del ancho y alto que se muestra cuando se selecciona el objeto.
En la siguiente figura, el área en rojo es el área táctil.
