Touch the object set with the trigger to run the operation.

onClick($GraphicObject, ()=>{
1 2
})
1: Operation
2: Target object
For information about the objects which is available in Target Object, refer to the following.
The operation is triggered when you touch the object then release.
onClick($GraphicObject.Rectangle1, ()=>{
});
The operation is triggered when you press the object.
onPress($GraphicObject.Rectangle1,
()=>{
});
1: EnableDelay
After the object is pressed for the defined amount of time, the operation is run.
Select the check box to set a delay time.
To set a delay time (for example, 10*100 ms) in Text mode, use
onPressWithDelay($GraphicObject.Rectangle1, 10, ()=>{
});
| Example 1 |
: Operation is triggered |
| Example 2 |
: Operation is triggered
:
Delay Time |
| Example 3 |
: Operation is triggered
: Operation is NOT triggered
:
Delay Time |
The operation is triggered when you release the object.
onRelease($GraphicObject.Rectangle1,
() => {
});
1: EnableDelay
After the object is released and the specified time elapses, the operation is run.
Select the check box to set a delay time.
To set a delay time (for example, 10*100 ms) in Text mode, use
onReleaseWithDelay($GraphicObject.Rectangle1,
10, () => {
});
|
|
When designing [Release] trigger, take into account that the [Release] trigger is also activated when the target object is no longer touchable. Failure to follow these instructions can result in death, serious injury, or equipment damage. |
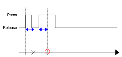
The [Release] trigger is also activated in the following cases.
| Example 1 |
: Operation is triggered |
| Example 2 |
: Operation is triggered
:
Delay Time |
| Example 3 |
: Operation is triggered
:
Delay Time |
If both [Press] and [Release] triggers are specified on the same object, and if the object is released before the [Press] delay time elapses, the [Release] trigger is executed but not the [Press] trigger.

:
Operation is triggered by [Release]
trigger
:
Operation is NOT triggered by [Press]
trigger
: [Press]
Delay Time
While you continue touching the object, the operation is repeatedly triggered for the specified duration. The maximum value that you can set for the [Duration] is 30 seconds.
onHold($GraphicObject.Rectangle1,
1000, ()=>{
})
1: EnableDelay
After the object is pressed for the specified amount of time, the operation is run.
Select the check box to set a delay time.
To set a delay time (for example, 10*100 ms) in Text mode, use
onHoldWithDelay($GraphicObject.Rectangle1,
1000, 10, () => {
});
| Example 1 |
: Operation is triggered
: Hold
Time |
| Example 2 |
: Operation is triggered
:
Delay Time
: Hold
Time |
The operation is triggered when you double-click the object.
onDoubleClick($GraphicObject.Rectangle1, ()=>{
});
| Shapes | Supported |
| Parts | All parts are supported, except for the following.
|
| Predefined Images | Supported |
| Layout Objects | Not Supported |
| Grouped Object | Not Supported |
| Screens / Contents | Not Supported |
The touch area is the area of the width and height that is shown when the object is selected.
In the figure below, the area in red is the touch area.
