Berühren Sie das mit den Auslöser eingerichtete Objekt, um die Operation auszuführen.

onClick($GraphicObject, ()=>{
1 2
})
1: Operation
2: Plattformobjekt
Informationen zu den im Plattformobjekt verfügbaren Objekten erhalten Sie unter:
Die Operation wird ausgelöst, sobald Sie das Objekt berühren und wieder loslassen.
onClick($GraphicObject.Rectangle1, ()=>{
});
Die Operation wird ausgelöst, sobald Sie auf das Objekt drücken.
onPress($GraphicObject.Rectangle1, ()=>{
});
1: EnableDelay
Nachdem das Objekt für die festgelegte Dauer betätigt wurde, wird der Vorgang ausgeführt.
Aktivieren Sie das Kontrollkästchen, um eine Verzögerungszeit festzulegen.
Um eine Verzögerungszeit (z. B. 10*100 ms) im Textmodus einzustellen, verwenden Sie
onPressWithDelay($GraphicObject.Rectangle1, 10, ()=>{
});
| Beispiel 1 | : Vorgang wird ausgelöst |
| Beispiel 2 | : Vorgang wird ausgelöst : Verzögerungszeit |
| Beispiel 3 | : Vorgang wird ausgelöst : Vorgang wird NICHT ausgelöst : Verzögerungszeit |
Die Operation wird ausgelöst, sobald Sie das Objekt loslassen.
onRelease($GraphicObject.Rectangle1, () => {
});
1: EnableDelay
Nachdem das Objekt losgelassen wurde und die festgelegte Dauer verstrichen ist, wird der Vorgang ausgeführt.
Aktivieren Sie das Kontrollkästchen, um eine Verzögerungszeit festzulegen.
Um eine Verzögerungszeit (z. B. 10*100 ms) im Textmodus einzustellen, verwenden Sie
onReleaseWithDelay($GraphicObject.Rectangle1, 10, () => {
});
|
|
Bei der Konzipierung des [Release]-Auslösers ist zu berücksichtigen, dass er auch dann aktiviert ist, wenn das Zielobjekt nicht mehr berührt werden kann. Eine Missachtung dieser Anweisungen kann zu Tod, schwerwiegenden Verletzungen oder Geräteschäden führen. |
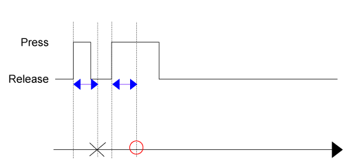
Der [Release]-Auslöser ist auch in folgenden Fällen aktiviert.
| Beispiel 1 | : Vorgang wird ausgelöst |
| Beispiel 2 | : Vorgang wird ausgelöst : Verzögerungszeit |
| Beispiel 3 | : Vorgang wird ausgelöst : Verzögerungszeit |
Wenn sowohl [Press] als auch [Release] als Auslöser am selben Objekt festgelegt wurden und das Objekt vor Ablauf der festgelegten [Press]-Verzögerungszeit losgelassen wird, wird der [Release]-Auslöser, jedoch nicht der [Press]-Auslöser ausgeführt.

: Vorgang wird durch den [Release]-Auslöser aktiviert
: Operation wird durch den [Press]-Auslöser aktiviert
: [Press] -Verzögerungszeit
Während Sie die Objekt weiterhin berühren, wird die Operation für die angegebene Dauer wiederholt ausgelöst. Der Höchstwert, den Sie für die Dauer einstellen können, beträgt 30 Sekunden.
onHold($GraphicObject.Rectangle1, 1000, ()=>{
})
1: EnableDelay
Nachdem das Objekt für die festgelegte Dauer betätigt wurde, wird der Vorgang ausgeführt.
Aktivieren Sie das Kontrollkästchen, um eine Verzögerungszeit festzulegen.
Um eine Verzögerungszeit (z. B. 10*100 ms) im Textmodus einzustellen, verwenden Sie
onHoldWithDelay($GraphicObject.Rectangle1, 1000, 10, () => {
});
| Beispiel 1 | : Vorgang wird ausgelöst : Haltezeit |
| Beispiel 2 | : Vorgang wird ausgelöst : Verzögerungszeit : Haltezeit |
Die Operation wird ausgelöst, wenn Sie auf das Objekt doppelklicken.

onDoubleClick($GraphicObject.Rectangle1, ()=>{
});
| Formen | Unterstützt |
| Teile | Alle Teile werden unterstützt, mit folgenden Ausnahmen:
|
| Vordefinierte Bilder | Unterstützt |
| Layout-Objekte | Nicht unterstützt |
| Gruppierte Objekte | Nicht unterstützt |
| Bildschirme / Inhalte | Nicht unterstützt |
Der Berührbereich ist der Breiten- und Höhenbereich, der bei Berührung des Objekts angezeigt wird.
In der Abbildung unten ist der rote Bereich der Berührbereich.
