트리거로 설정된 오브젝트를 터치하여 작업을 실행합니다.

onClick($GraphicObject, ()=>{
1 2
})
1: 작업
2: 타겟 오브젝트
대상 개체에서 사용할 수 있는 개체에 관한 정보는 다음을 참조하십시오.
개체를 터치한 다음 릴리스할 때 작업이 트리거됩니다.
onClick($GraphicObject.Rectangle1, ()=>{
});
오브젝트를 누르면 작업이 트리거됩니다.
onPress($GraphicObject.Rectangle1, ()=>{
});
1: EnableDelay
개체를 지정된 시간 동안 누르고 나면 작업이 실행됩니다.
지연 시간을 설정하려면 확인란을 선택합니다.
텍스트 모드에서 지연 시간(예: 10*100ms)을 설정하려면 다음을 사용합니다
onPressWithDelay($GraphicObject.Rectangle1, 10, ()=>{
});
| 예 1 | : 작업이 트리거됨 |
| 예 2 | : 작업이 트리거됨 : 지연 시간 |
| 예 3 | : 작업이 트리거됨 : 작업이 트리거되지 않음 : 지연 시간 |
오브젝트에서 손을 떼면 작업이 트리거됩니다.
onRelease($GraphicObject.Rectangle1, () => {
});
1: EnableDelay
개체를 릴리스하고 지정된 시간이 경과하고 나면 작업이 실행됩니다.
지연 시간을 설정하려면 확인란을 선택합니다.
텍스트 모드에서 지연 시간(예: 10*100ms)을 설정하려면 다음을 사용합니다
onReleaseWithDelay($GraphicObject.Rectangle1, 10, () => {
});
|
|
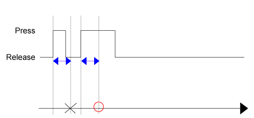
[Release] 트리거를 디자인할 때 대상 개체를 더는 터치할 수 없는 경우 [Release]도 활성화된다는 점을 고려하십시오. 이러한 지침을 따르지 않을 경우 사망하거나 심각한 상해를 입거나 장비가 손상될 수 있습니다. |
[Release] 트리거도 다음 경우에 활성화됩니다.
| 예 1 | : 작업이 트리거됨 |
| 예 2 | : 작업이 트리거됨 : 지연 시간 |
| 예 3 | : 작업이 트리거됨 : 지연 시간 |
[Press]와 [Release] 트리거가 같은 개체에 둘 다 지정되고 [Press] 지연 시간이 경과하기 전에 개체를 릴리스하면 [Release] 트리거는 실행되지만 [Press] 트리거는 실행되지 않습니다.

: [Release] 트리거로 작업이 트리거됨
: [Press] 트리거로 작업이 트리거되지 않음
: [Press] 지연 시간
오브젝트를 터치하고 있는 동안에는 지정된 기간 동안 작업이 반복해서 트리거됩니다. [지속 시간]에 대하여 설정할 수 있는 최대값은 30초입니다.
onHold($GraphicObject.Rectangle1, 1000, ()=>{
})
1: EnableDelay
개체를 지정된 시간 동안 누르고 나면 작업이 실행됩니다.
지연 시간을 설정하려면 확인란을 선택합니다.
텍스트 모드에서 지연 시간(예: 10*100ms)을 설정하려면 다음을 사용합니다
onHoldWithDelay($GraphicObject.Rectangle1, 1000, 10, () => {
});
| 예 1 | : 작업이 트리거됨 : 대기 시간 |
| 예 2 | : 작업이 트리거됨 : 지연 시간 : 대기 시간 |
오브젝트를 더블 클릭하면 작업이 트리거됩니다.

onDoubleClick($GraphicObject.Rectangle1, ()=>{
});
| 모양 | 지원됨 |
| 파트 | 다음을 제외한 모든 부품이 지원됩니다.
|
| 미리 정의된 이미지 | 지원됨 |
| 레이아웃 개체 | 지원되지 않음 |
| 그룹화된 개체 | 지원되지 않음 |
| 화면/콘텐츠 | 지원되지 않음 |
터치 영역은 개체를 선택할 때 표시되는 너비와 높이의 영역입니다.
아래 그림에서 빨간색 영역은 터치 영역입니다.
