
![]()
For models supporting SD cards, "SD"/"SD Card" is displayed instead of "CF"/"CF Card".
Enable Operation Log Function
Specifies whether to use the Operation Log feature or not
SRAM Records
Select the number of times to save to backup memory (SRAM) from 100, 200, 300, 400 and 500.
![]()
The operation log size is determined by the selected [SRAM Records].
Operations to Log
Select the functions for Operations to Log from [Bit Switch], [Word Switch], [Change Screen Switch], [Special Switch], [Selector Switch], [Data Display], [Sampling Data Display], [Show CSV], [System Menu], [Start], [Offline], and [Change Language].
![]()
In Initialization Settings, all of the functions are targeted as Operations to Log.
Save Data
Save in
Select [CF Card] (or [SD Card]) or [USB Storage] as the [Save in] location when outputting the Operation Log to a CSV file, or when exceeding the number of entries that can be saved in SRAM.
Record Status Address
Specifies the address that confirms the write status for saving to external storage.
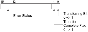
Status
While outputting the operation log file, the Transferring bit turns ON. When the file output is complete, the Transferring Completion Bit turns ON.

The error status indicates the following conditions.
|
Bit 12 to 15 |
Description |
Introduction |
|
0000 |
Completed Successfully |
When the backup process is completed successfully. |
|
0100 |
No external storage |
The external storage was not inserted when backing up, or the CF Card cover is open |
|
0101 |
Write Error |
There was insufficient space in external storage or external storage was removed during writing. SD card is write protected. |
|
0111 |
CF Card/USB storage error |
CF card/USB storage is not correctly formatted or is invalid. |
Save Mode
Sets actions when saving operation logs.
Direct
When [New] is selected, a new CSV file will be created.
When [Append] is selected, data is added to the existing CSV file.
Address
Specifies an address to change the action for saving data. When the specified address turns OFF, New is selected. When the address turns ON, Append is selected.
![]()
You can append up to 10000 data in one CSV file.
Operation Trigger
Specifies whether or not to save at a specified timing when you want to save the operation log at a given timing.
Retain Control Bit Address
Turn ON the designated Bit to start writing in external storage.
Operation when there is insufficient space
Specifies the operation when there is not enough space in external storage.
Stop Operation Log
Stop outputting to the file of the operation log at the "Save in" location. When the next operation is conducted, recording of the operation log completely stops, and nothing is recorded.
First in First out Data Queue
Delete the oldest file saved in external storage and then save the collected data.
Add IP address to log when operating from Pro-face Remote HMI
When using Pro-face Remote HMI to operate the next display unit screen, the client IP address is also saved to the operation log.
SP5000 Series
IPC Series
GP4000 Series (excluding GP-4100 Series, GP-4201TM, GP-4301TM, GP-4201TW)
![]()
You can select this option when the [Enable Operation Log Function] check box is selected.
CSV File Format Settings
Set the Display Format when saving to CSV file.
Date
Select the display format for dates, from mm/dd/yy (month/day/year), mm/dd (month/day), yy/mm/dd (year/month/day), dd/mm/yy (day/month/year).
Time
Select the time display format as either 12:00:00 or 24:00:00.
Language
Select the language format from Japanese, languages that support ASCII, Chinese (Traditional), Chinese (Simplified), Korean, Russian (Cyrillic), and Thai.
Append value to log
While recording the operation log, set whether to obtain the values stored in the specified Data Word Address.
![]()
If [Save Mode] [Direct] [Append] is selected, and settings in [Append value to log] are changed, when the project is transferred and logging starts, two groups of data will exist in the same file - data with values and data without values. If you do not want to have two data sets, before transfer delete the operation log file in the external storage or rename the folder where data is being saved.
Update Data Value
Sets a time to obtain Data Word Address values.
Always On
Values are acquired every time a record operation log operation is performed on the target.
![]()
When the display unit is started up, if an illegal address or symbol is set to the Data Word Address, it will go to the forced transfer screen. Execute a forced transfer of the project.
Trigger
When the Trigger Bit Address turns ON, data will be acquired again.
![]()
When the display unit is started up, if an illegal address or symbol is set to the Data Word Address, it will go to a forced transfer screen. Execute a forced transfer of the project.
Trigger Bit Address
In [Update Data Value], when [Trigger] is selected, set the bit address that will trigger reading data.
Data Value
Sets the type of Data Value to acquire from [Numeric Value] and [Text].
Numeric Value
Data Word Address
Sets the Word Address to store values to be read at recording the operation log.
The end of an address is automatically displayed according to the [Number of Characters] setting.
Data Type
Sets the data format that is stored in [Data Word Address].
The output format for each data type is as follows.
|
Data Type |
Signed +/- |
Range |
|
Text |
Setup not possible |
You can use up to 32 single-byte characters. |
|
8 Bit Dec |
None |
0...255 |
|
Enable |
-128...127 |
|
|
16 Bit Dec |
None |
0...65535 |
|
Enable |
-32768...32767 |
|
|
32 Bit Dec |
None |
0...4294967295 |
|
Enable |
-2147483648...2147483647 |
|
|
8 Bit Hexadecimal |
Setup not possible |
0 to FF (h) |
|
16 Bit Hexadecimal |
Setup not possible |
0 to FFFF(h) |
|
32 Bit Hexadecimal |
Setup not possible |
0 to FFFFFFFF(h) |
|
8 Bit Oct |
Setup not possible |
0 to 377(o) |
|
16 Bit Oct |
Setup not possible |
0 to 177777(o) |
|
8 Bit BCD |
Setup not possible |
0...99 |
|
16 Bit BCD |
Setup not possible |
0...9999 |
|
32 Bit BCD |
Setup not possible |
0...99999999 |
|
8 Bit Bin |
Setup not possible |
0...11111111 |
|
16 Bit Bin |
Setup not possible |
0...1111111111111111 |
|
32 Bit Bin |
Setup not possible |
0...11111111111111111111111111111111 |
Sign +/-
Select whether to display negative values. Select when the data type is 16 bit Dec or 32 bit Dec.
Text
Data Word Address
Sets the range of Word Addresses to store values to be read when recording the operation log.
Number of Characters
Sets the number of characters to acquire from 1 to 32 single-byte characters.