The device code and address code defined when transferring, also defines the transfer destination (or source) address for each CSV file.
The number of addresses used depends on the device designated in the address.
Only one file (1 set of CSV data) can be transferred at a time.
For example, when 16 bit device is specified
The [Control Word Address] uses 16 consecutive words and designates the data to transfer and the destination address.

After setting the file number, mode, device code, address code, and number of data, when the [Control Word Address] bit 0 turns ON, the designated file number's Recipe (CSV data) is written to the specified address.
Also, when the [Control Word Address] bit 1 turns ON, the Recipe stored in the device/PLC's designated address is saved to external storage.
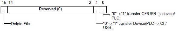
Control
Data is transferred depending on the state of this address's 0 and 1 bits.

![]()
Ensure that all bits in this address are set to "0" when the GP unit is turned on.
Do not turn multiple bits ON at the same time.
Status
Transfer state and result is reflected in this address.

Error Codes (Reflected in the error status bits)
|
0 |
Completed Successfully |
Transfer completed successfully. |
|
1 |
No File Number |
When transferring from external storage to the device/PLC, there are no files to transfer. |
|
2 |
Reserved |
— |
|
3 |
Internal Device Range |
When transferring from external storage to the device/PLC and the start address is set up as an internal device, transfer would exceed the internal device address range. |
|
4 |
No external storage |
No external storage is found or the cover is open. |
|
5 |
Read Error |
When transferring from external storage to the device/PLC, failed to read from external storage. |
|
6 |
Write Error |
When transferring from the device/PLC to external storage, failed to write to external storage. There may not be enough available space. SD card is write protected. |
|
7 |
CF Card Error/USB Storage Error |
The CF card/USB storage is not formatted properly or is damaged. |
|
8 |
Delete Error |
File delete failed, or read-only file. |
|
9 |
Reserved |
— |
|
10 |
Reserved |
— |
File Number
Specify the file number to be transferred.
Mode
Set the Recipe data format to allow negative numbers.

Address Mode

Device code and address code
Specify the device you want to access with the Device Code. You can also specify the destination (or source) address with the Address Code.
Device and Address codes differ depending on the device. Refer to the "GP-Pro EX Device/PLC Manual" for more information. When the internal device on the display unit is specified in Address Mode, use the device code 0x0000 for the LS device, and the device code 0x0001 for the USR device.
Number of Data Items
Designate the number of data items in the CSV Data Recipe. The maximum number of data items is 10,000 for 16 bit and 5,000 for 32 bit. If the number of data items exceeds this limit, the transfer operation will not work.
Automatic Transfer (Address Action) Timing Chart
When the data transfer is completed, status bit 1 (Transfer Complete Flag) turns ON. Turn OFF the trigger bit after the Transfer Complete Flag is displayed via the device/PLC. Turning OFF the trigger bit automatically turns OFF Transfer Complete Flag on the status address.

Address Action Transfer Example
Writing from external storage to the device/PLC
For example, transferring "ZR00001.csv" (Number of Data Items: 6, Data length: 16 Bit, No Sign) the address D100 of the device/PLC.
Control Word Address: D50

Write the transfer file number "1" to D52.
Write "0" (16 Bit, No Sign) to D53.
Write "0" to D54.
![]()
When the transfer destination is the internal device, write "1".
For memory link type, set "0".
Write the transfer destination device "0x0000" (D device) to D55.
Designate the transfer destination address in D56/D57. Write "100" to D56 and "0" to D57.
Write "6" to D58.
Turn ON D50 bit 0. CSV data is written to addresses D100 to D105.
When the data transfer is completed, turn OFF bit 0 of D51 (the [Transferring] bit). Turn ON the [Transfer Complete Flag] (bit 1).
Reading from the device/PLC to external storage
For example, transfer six data items (Data Length: 16 Bit, No Sign) from the device/PLC, D100 to D105, to the CF Card and create the file ZR00002.csv.
Write the file number "2" to be created by transfer to D52.
Write "0" (16 Bit, No Sign) to D53.
Write "0" to D54.
Write the transfer source device "0x0000" (D device) to D55.
Designate the transfer source address in D56/D57. Write "100" to D56 and "0" to D57.
Write "6" to D58.
Turn ON D50 bit 1. The data from D100 to D105 are read and the file name "ZR00002.csv" is created in the CF Card [File] folder.
When the data transfer is completed, turn OFF bit 0 of D51(the [Transferring] bit). Turn ON the [Transfer Complete Flag] (bit 1).
![]()
When transferring from the device/PLC to external storage, the CSV Data date is set in two-digit format.
Delete File
For example, Delete file name "ZR00002.csv" from the CF Card.
Write the file number "2" to delete to D52.
Turn ON D50 bit 15 (Deletion bit).
When the file deletion is completed, D51 bit 1 (Transfer Complete Flag) turns ON.